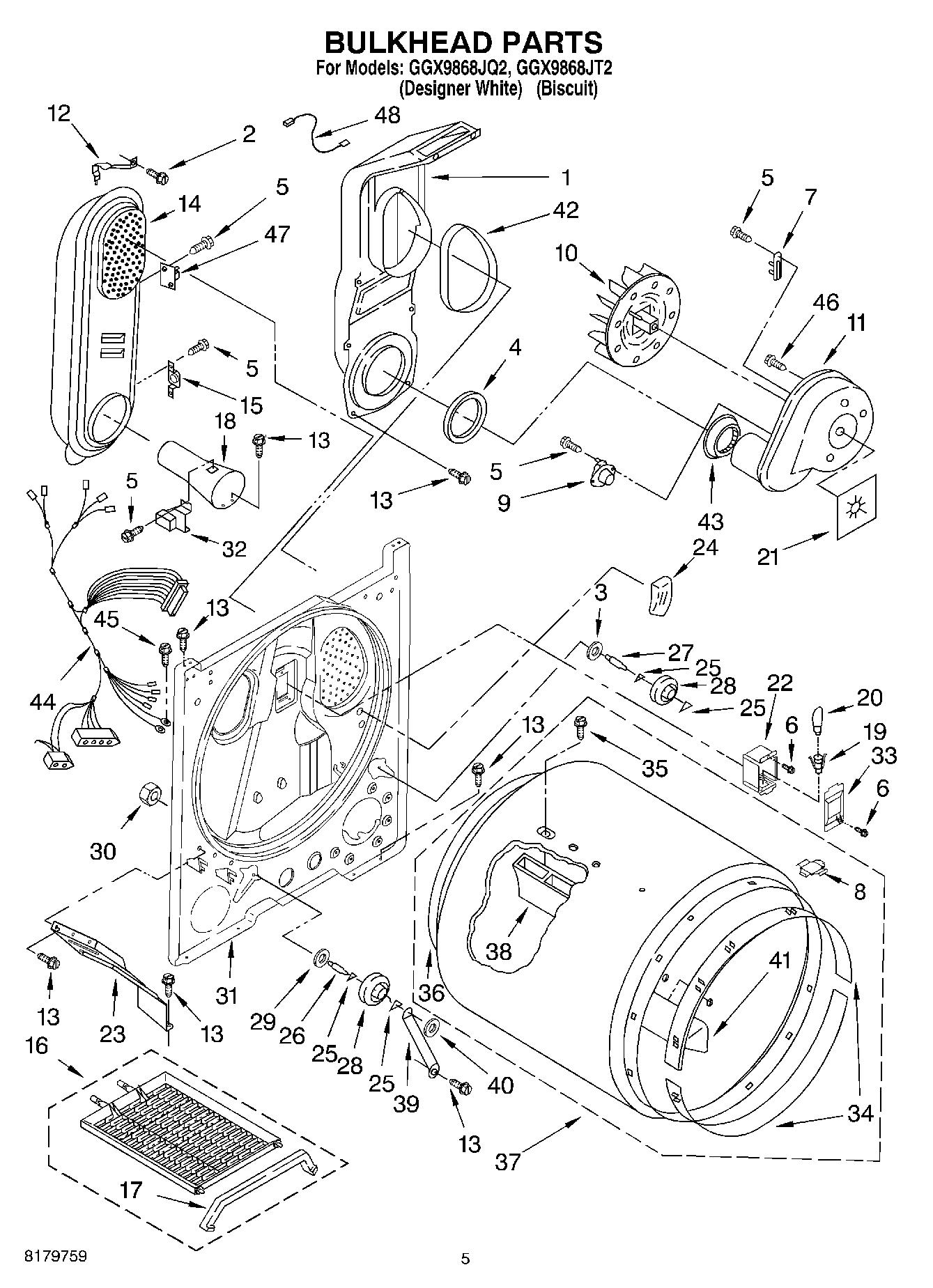
GGX9868JT2 03 – BULKHEAD