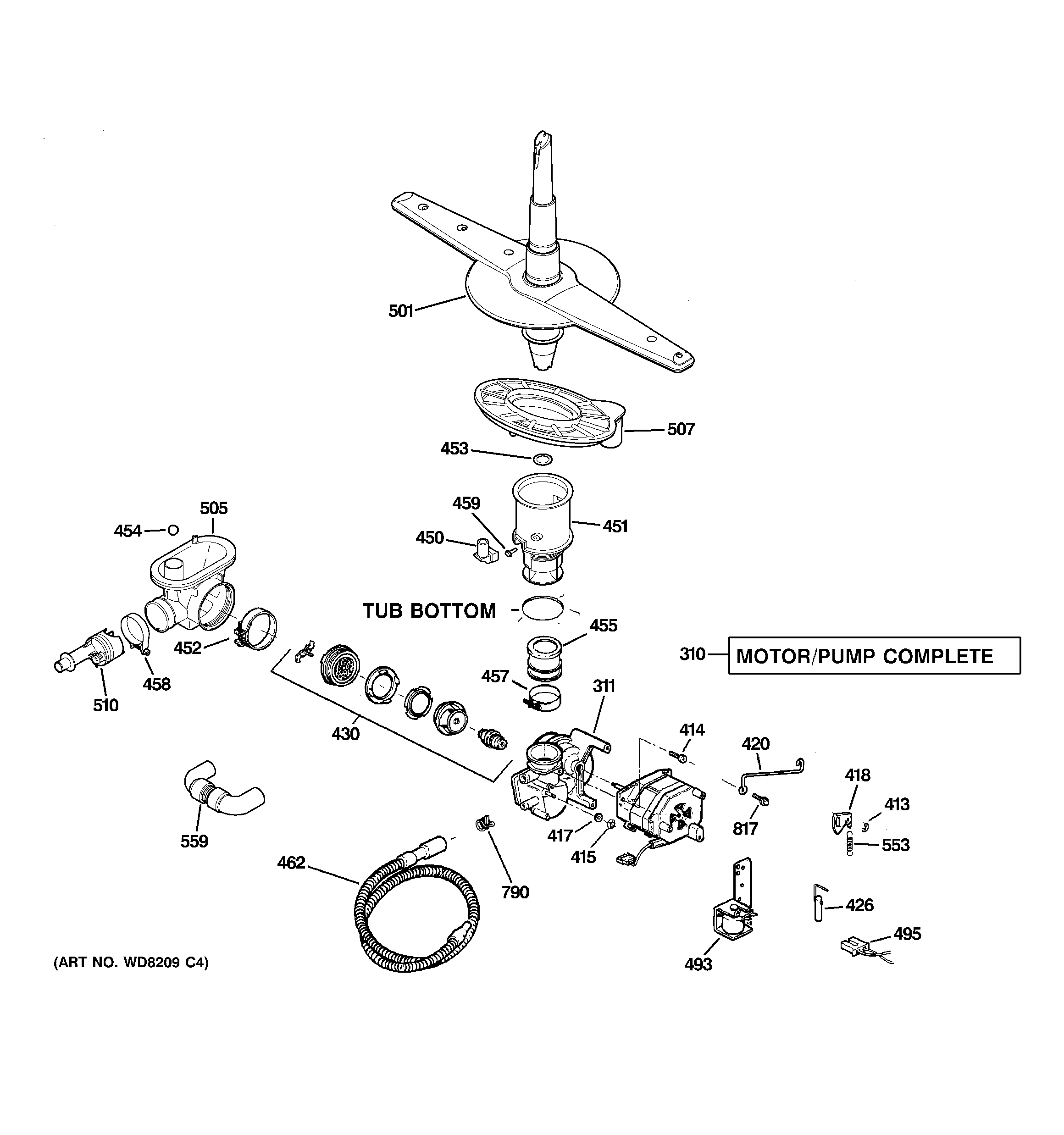
GHDA350N00BB MOTOR-PUMP MECHANISM