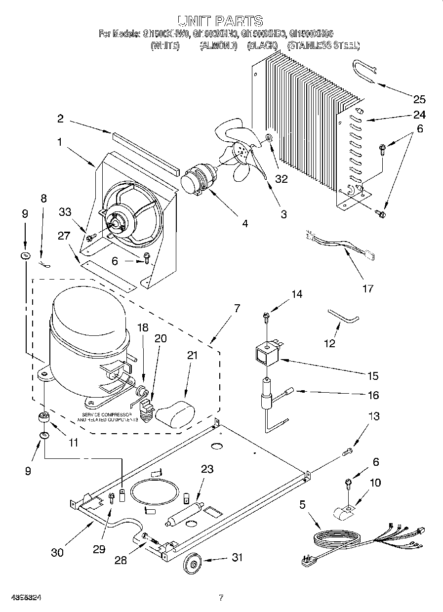
| 1 | WP2185532 Whirlpool Refrigerator Bracket |
| 2 | 2185675 Whirlpool Refrigerator Foam Pad |
| 3 | Blade, Fan |
| 4 | W10822259 Whirlpool Refrigerator Condenser Fan Motor |
| 5 | Wiring Harness, Unit (Power Cord) |
| 6 | WP489069 Whirlpool Compactor Screw |
| 7 | W10309988 Whirlpool Refrigerator Compressor |
| 8 | Clip |
| 9 | Shim |
| 10 | CLAMP, POWER CORD |
| 11 | 2185965 Whirlpool Refrigerator Grommet |
| 12 | WPL 2185548 |
| 13 | WP999367 Whirlpool Refrigerator Screw |
| 14 | SCREW |
| 15 | Coil, Solenoid |
| 16 | WP759113 Whirlpool Refrigerator Gas Valve |
| 17 | Wiring Harness, Condenser Fan |
| 18 | WPL 2183404 |
| 20 | WPL 2183410 |
| 21 | WP2162358 Whirlpool Refrigerator Terminal Cover |
| 23 | W10843121 Whirlpool Refrigerator Tube |
| 24 | 8201810 Whirlpool Refrigerator Condenser |
| 25 | WPL 2180807 |
| 27 | 2217397 Whirlpool Foam Pad |
| 28 | Screw (2) |
| 29 | Screw, 8-36 x 1/2 (4) |
| 30 | Base, Unit |
| 31 | WP302819 Whirlpool Dishwasher Wheel |
| 32 | WP486692 Whirlpool Refrigerator Nut |
| 33 | WP8281196 Whirlpool Screw |