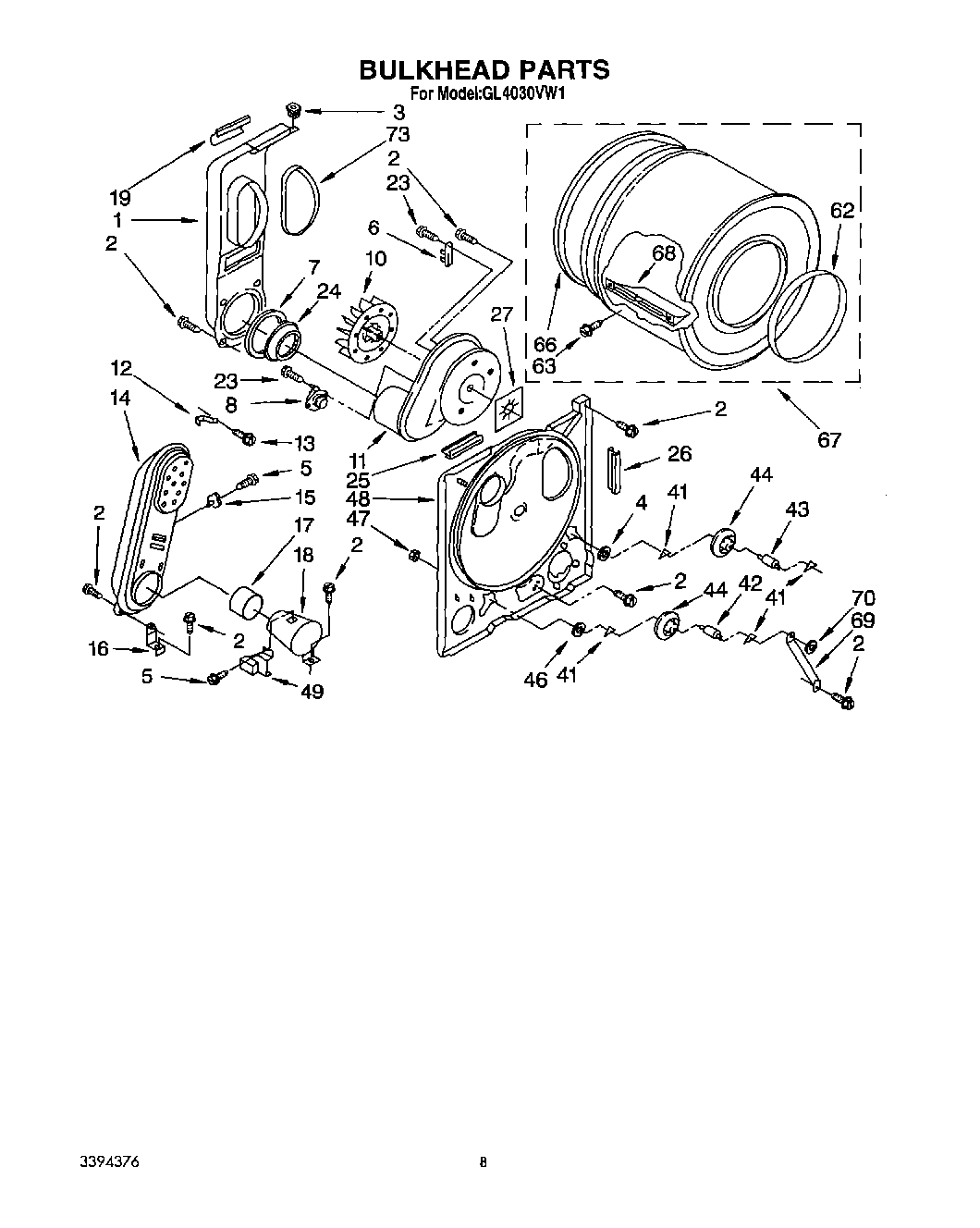
GL4030VW1 05 – BULKHEAD