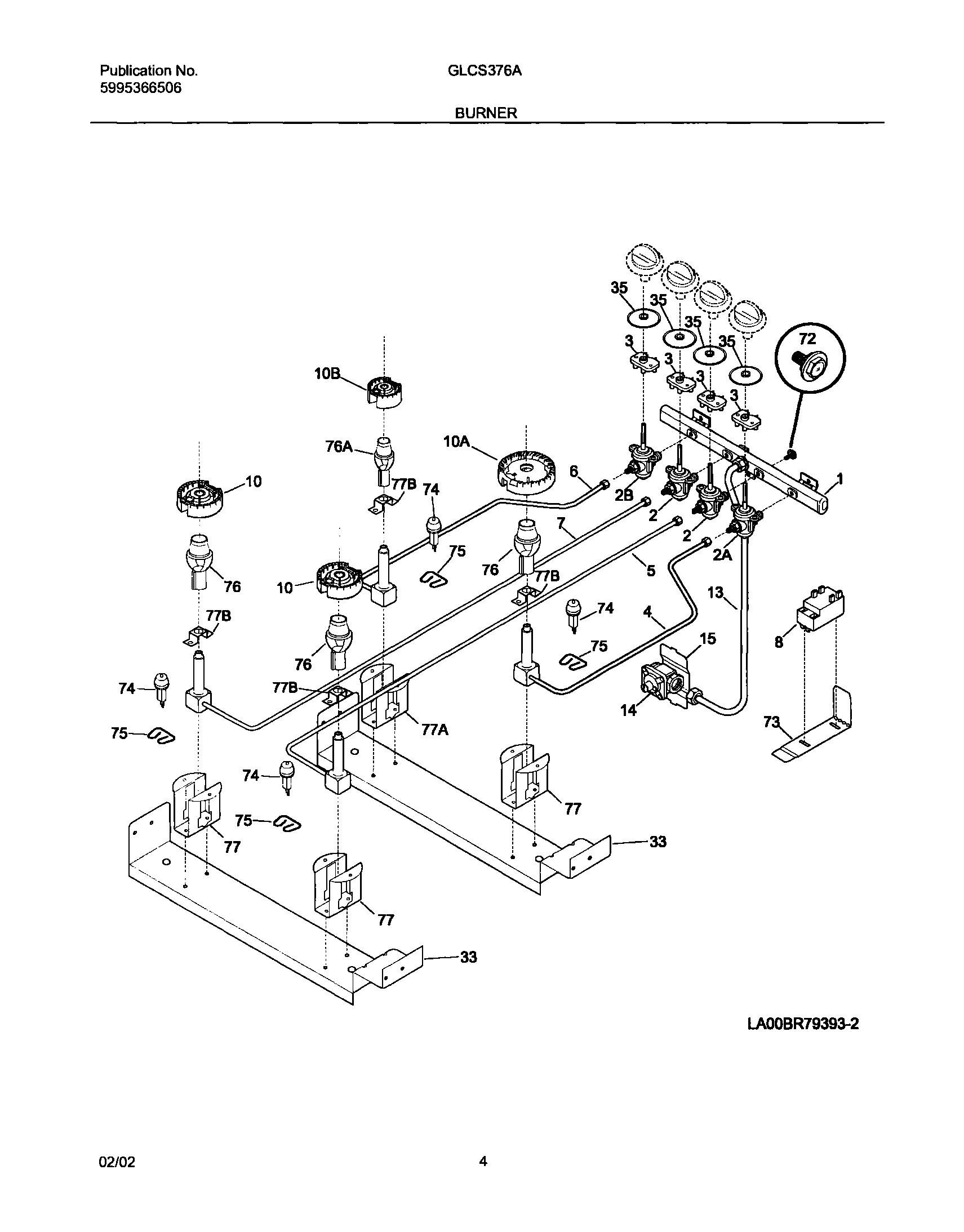
GLCS376ASC 05 – BURNER