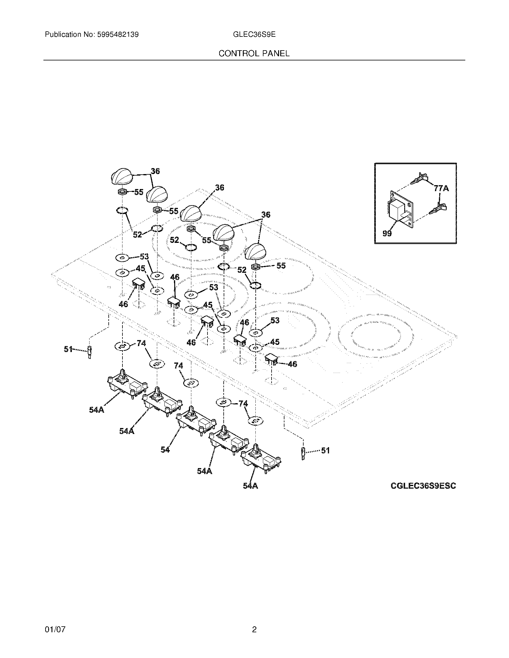
GLEC36S9ESC 03 – CONTROLSadmin2025-04-26T13:00:21+00:00GLEC36S9ESC 03 – CONTROLS ProductsPositionProductNI5304464772 Frigidaire Refrigerator Wire TieNIWCI 318083042NIWCI 31808304036WCI 31819763045318146012 Frigidaire Oven Bushing46318319001 Frigidaire Oven Lens51WCI 31833720152318337100 Frigidaire Oven Gasket53318086007 Frigidaire Washer Assembly54A316443401 Frigidaire Oven Control54WCI 31644340055316247700 Frigidaire Oven Nut74WCI 31814601177A316114100 Frigidaire Oven Spacer99316435703 Frigidaire Oven Board