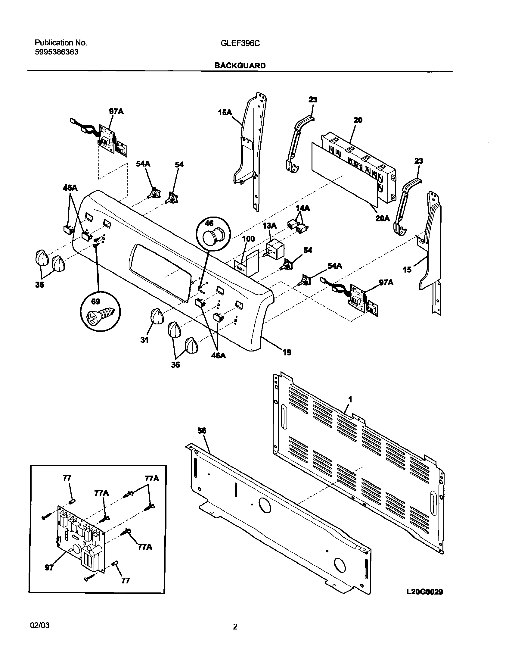
GLEF396CQA 03 – BACKGUARDadmin2025-04-26T09:34:08+00:00GLEF396CQA 03 – BACKGUARD ProductsPositionProductNI5303289910 Frigidaire Oven ScrewNIWCI 316253601NI316247700 Frigidaire Oven NutNI316021109 Frigidaire Oven ScrewNIScrew,cup pt ,8-18 x 0.375 ,chromeNI316247800 Frigidaire Oven Washer1WCI 31623990013A5304508926 Frigidaire Oven Temperature Control Switch14A316022500 Frigidaire Oven Warmer Drawer Zone Indicator Light Lamp15WCI 31622021815AWCI 31622021919WCI 31623385520AWCI 31624330220WCI 31620760023WCI 31622090031WCI 31622300336WCI 31622302046AWCI 31623900046318228310 Frigidaire Oven Lens54A316239601KIT Frigidaire Kit Control54316239600KIT Frigidaire Control56WCI 316234004695303288565 Frigidaire Screw77A316114100 Frigidaire Oven Spacer77316247900 Frigidaire Oven Spacer97AWCI 31624760097AWCI 31623950097WCI 316239400100WCI 316247400