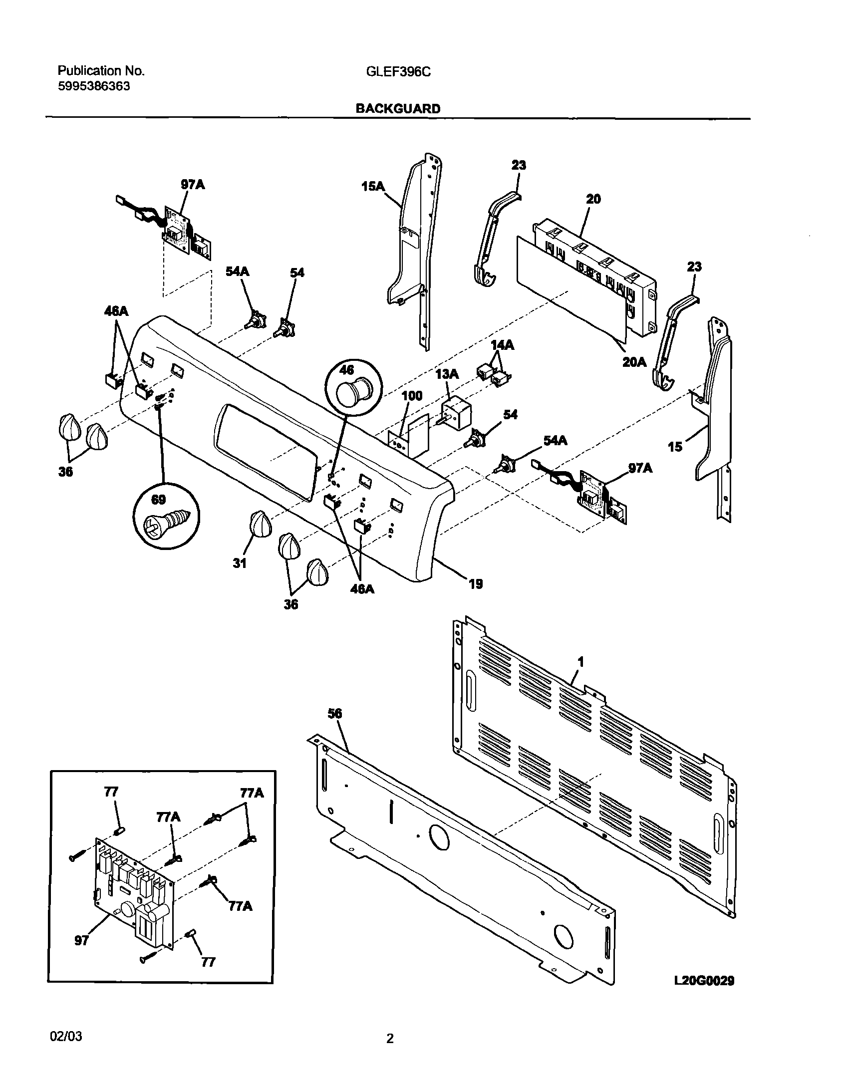
GLEF396CSA 03 – BACKGUARDadmin2025-04-26T09:32:32+00:00GLEF396CSA 03 – BACKGUARD ProductsPositionProductNI5303289910 Frigidaire Oven ScrewNI316247800 Frigidaire Oven WasherNI316247700 Frigidaire Oven NutNIScrew,cup pt ,8-18 x 0.375 ,chromeNI316021109 Frigidaire Oven ScrewNIWCI 3162536011WCI 31623990013A5304508926 Frigidaire Oven Temperature Control Switch14A316022500 Frigidaire Oven Warmer Drawer Zone Indicator Light Lamp15AWCI 31622021515WCI 31622021419WCI 31623385320WCI 31620760020AWCI 31624330023WCI 31622090031316223000 Frigidaire Burner Knob36WCI 31622301746318228310 Frigidaire Oven Lens46AWCI 31623900054A316239601KIT Frigidaire Kit Control54316239600KIT Frigidaire Control56WCI 316234001695303288565 Frigidaire Screw77A316114100 Frigidaire Oven Spacer77316247900 Frigidaire Oven Spacer97WCI 31623940097AWCI 31623950097AWCI 316247600100WCI 316247400