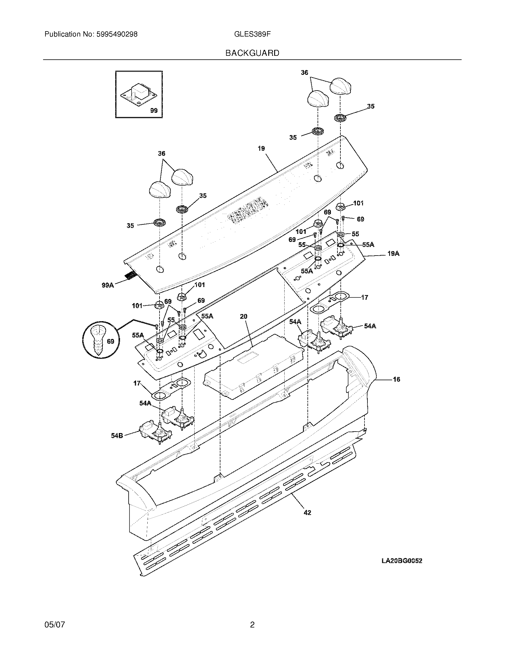
GLES389FBC 03 – BACKGUARDadmin2025-04-26T09:42:10+00:00GLES389FBC 03 – BACKGUARD ProductsPositionProductNI5303300265 Frigidaire Oven ScrewNIWCI 318228852NIWCI 318224813NIWCI 5304447071NISCREW,TRUSS HEAD,8-18 X 0.375NI5304453707 Frigidaire Oven Screw16WCI 31829910217WCI 31830690019AWCI 31822440519WCI 31831380220WCI 31641873535WCI 31823372036WCI 31622302142WCI 31829800154BControl,electronic ,left front ,dual element,w/potentiometer54A316441801 Frigidaire Oven Control55316247700 Frigidaire Oven Nut55A316247800 Frigidaire Oven Washer695303288565 Frigidaire Screw99WCI 31643570299A318223900 Frigidaire Oven Gasket101WCI 318233400