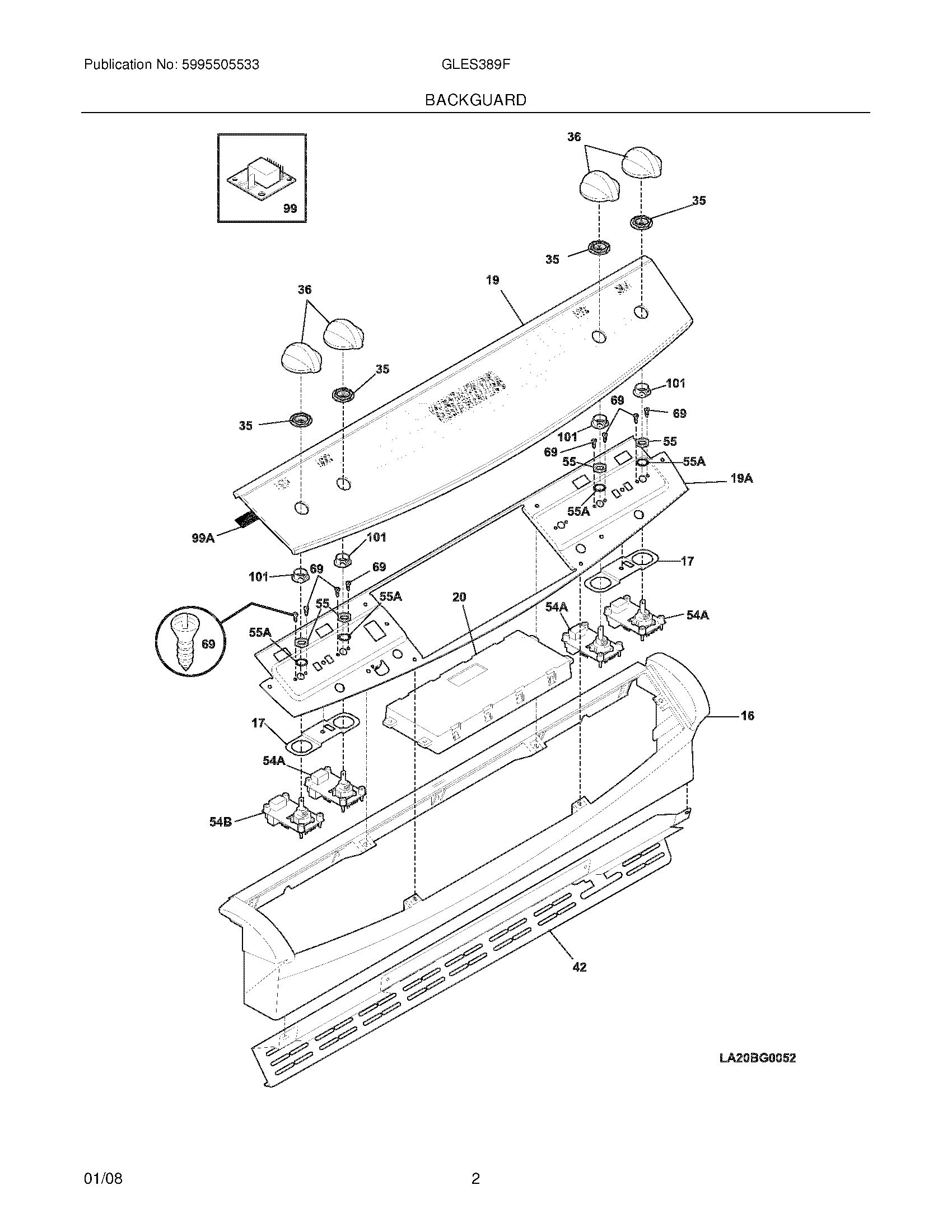
GLES389FSD 03 – BACKGUARDadmin2025-04-26T09:40:29+00:00GLES389FSD 03 – BACKGUARD ProductsPositionProductNI5303300265 Frigidaire Oven ScrewNISCREW,TRUSS HEAD,8-18 X 0.375NI5304453707 Frigidaire Oven ScrewNIWCI 318228864NIWCI 318224849NIWCI 530444707116WCI 31829910017WCI 31830690019AWCI 31822440519WCI 31831380020316462841 Frigidaire Controller35WCI 31823372136WCI 31819762342WCI 31829800154BControl,electronic ,left front ,dual element,w/potentiometer54A316441801 Frigidaire Oven Control55316247700 Frigidaire Oven Nut55A316247800 Frigidaire Oven Washer695303288565 Frigidaire Screw99316435703 Frigidaire Oven Board99A318223900 Frigidaire Oven Gasket101WCI 318233400