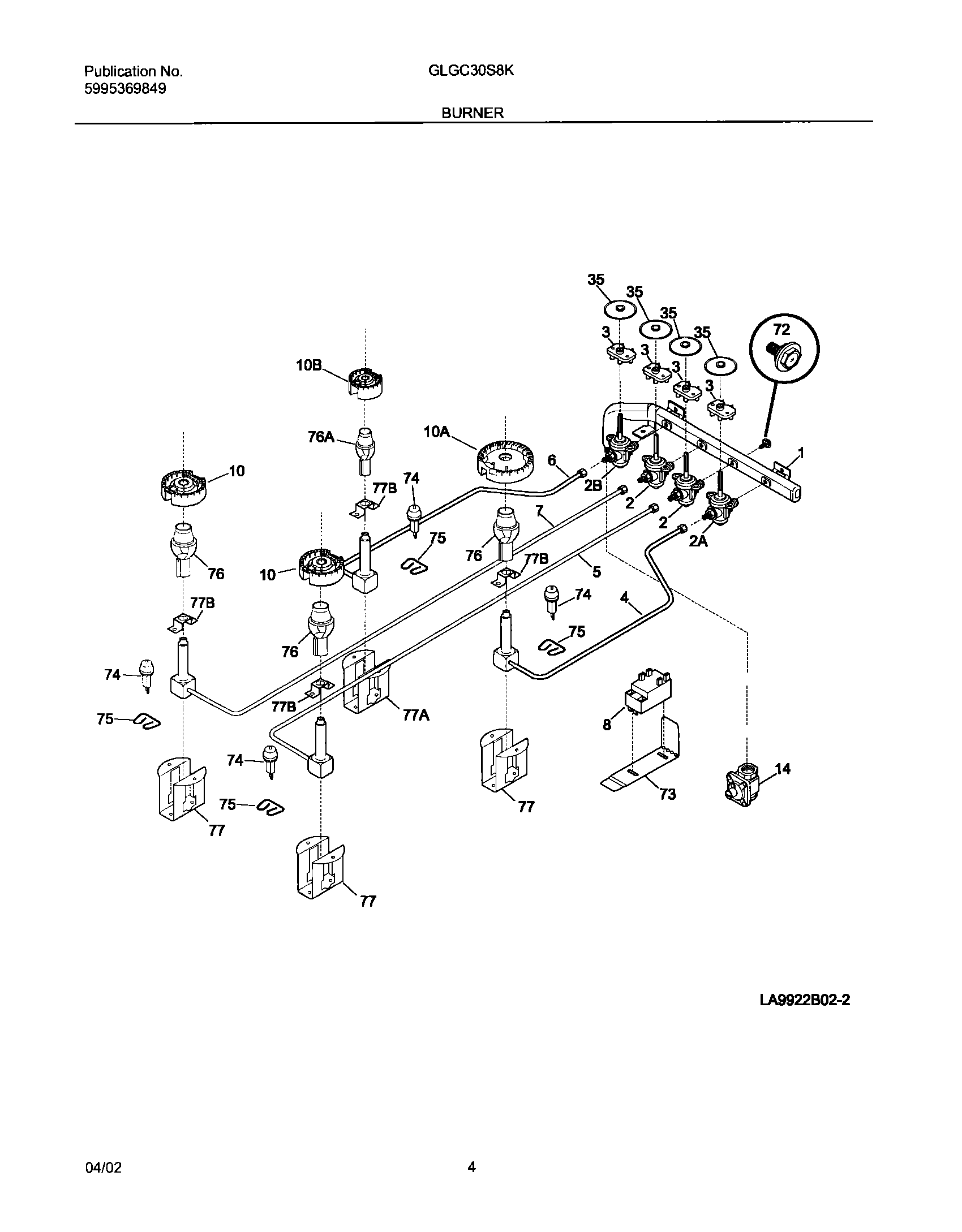
GLGC30S8KBA 05 – BURNER