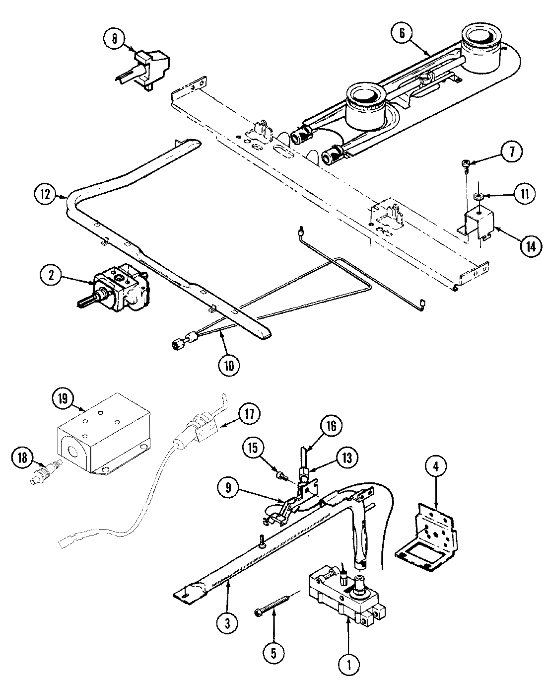
GM3110PRAM 03 – CONTROL SYSTEMadmin2025-04-26T08:58:05+00:00GM3110PRAM 03 – CONTROL SYSTEM ProductsPositionProduct1MAY 7501P127-602MAY 15552512MAY 7101P010-602MAY 15552792MAY 7515P034-603MAY 3403D023-454MAY 3801F238-455SCREW No.10 X 26MAY 3412A004-197MAY 7118P015-608MAY 7101P044-608MAY 7502P249-609MAY 7432P070-6010MAY 7505P194-6011MAY 7103P070-6012MAY 7513P132-6013MAY 1555261K14MAY 3807F204-3415WP4159193 Whirlpool Screw16MAY 3414F108-4416MAY 3414F094-4417MAY 7400123218MAY 7432P078-6019MAY 4006F150-51