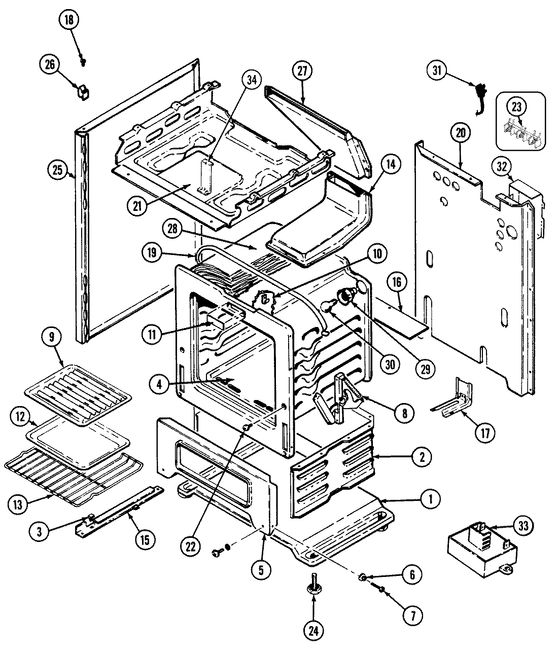
GM3167WUV 01 – BODY/OVEN