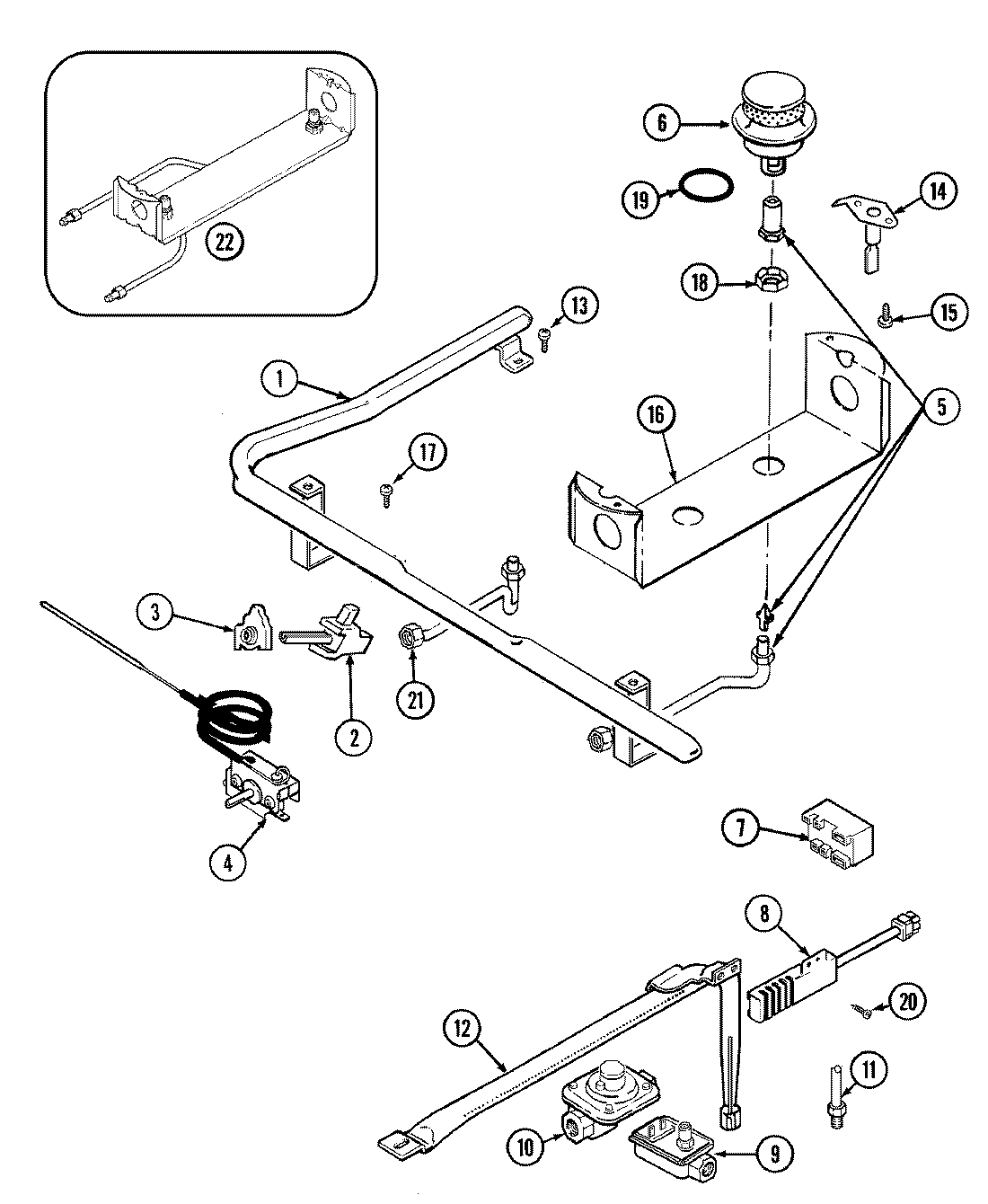
GM3167WUV 04 – GAS CONTROLSadmin2025-04-26T09:01:58+00:00GM3167WUV 04 – GAS CONTROLS ProductsPositionProduct1MAY 7513P120-601MAY 7103P130-602MAY 7502P219-603MAY 7403P284-604MAY 7404P087-604MAY 7101P280-605MAY 7507P128-606MAY 3412D018-267MAY 3807F432-457MAY 7431P026-608MAY 7432P076-609MAY 4005F333-519MAY 7501P139-6010MAY 7507P123-6010MAY 7510P064-6011MAY 3414F104-4412MAY 3403D023-4514NOT REQUIRED PART OR SEE NOTE FUSE (NOT REQUIRED)15MAY 7101P315-6016MAY 3807F451-4517MAY 7101P044-6018MAY 7103P119-6019MAY 7201P050-6020WP3351614 Whirlpool Screw21MAY 7507P130-6022MAY 5187D032-6023MAY 7101P290-6023MAY 5140D038-6023MAY 5125A312-6023MAY 74001239