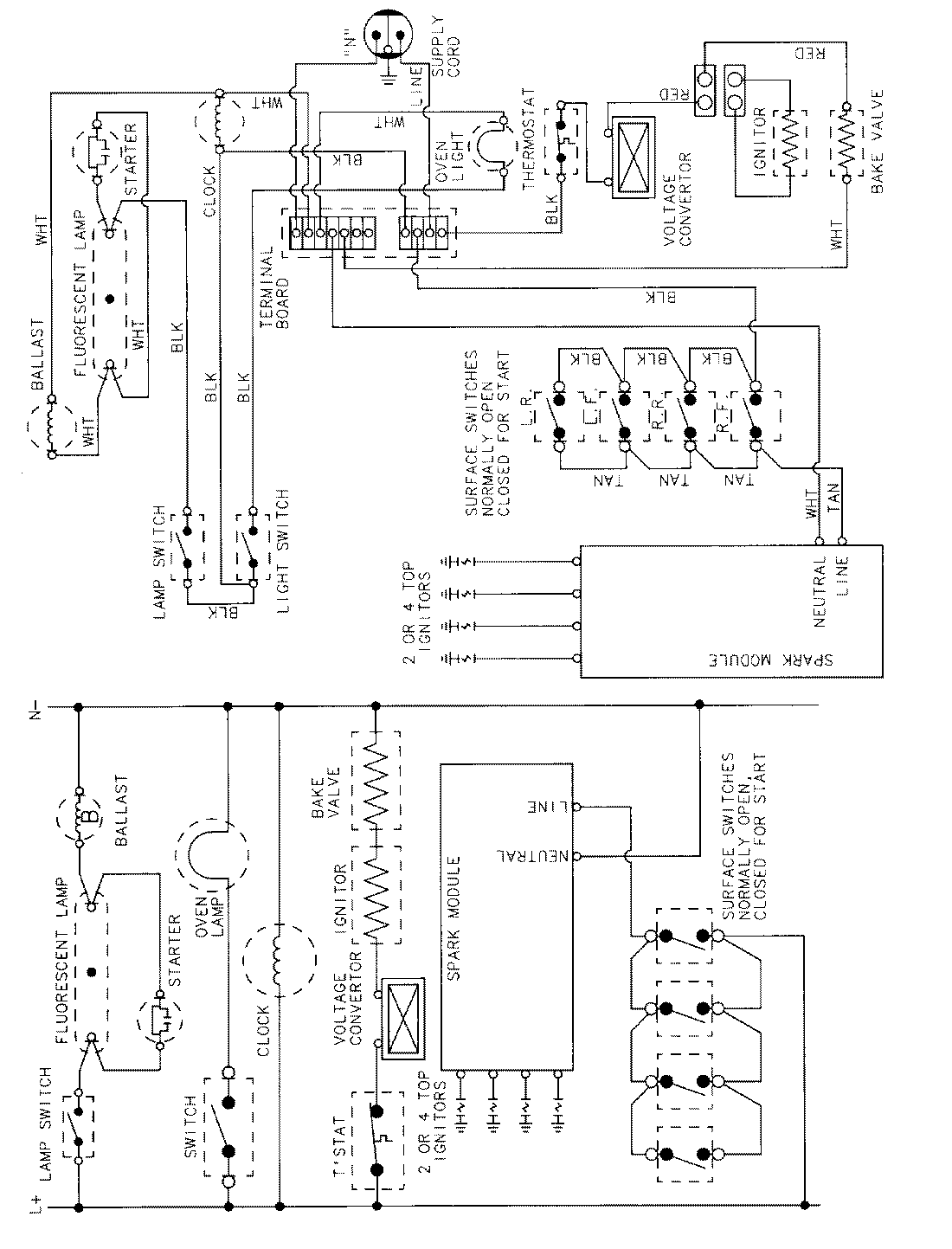
GM3167WUV 06 – WIRING INFORMATIONadmin2025-04-26T09:01:13+00:00GM3167WUV 06 – WIRING INFORMATION ProductsPositionProductNIMAY 15001307