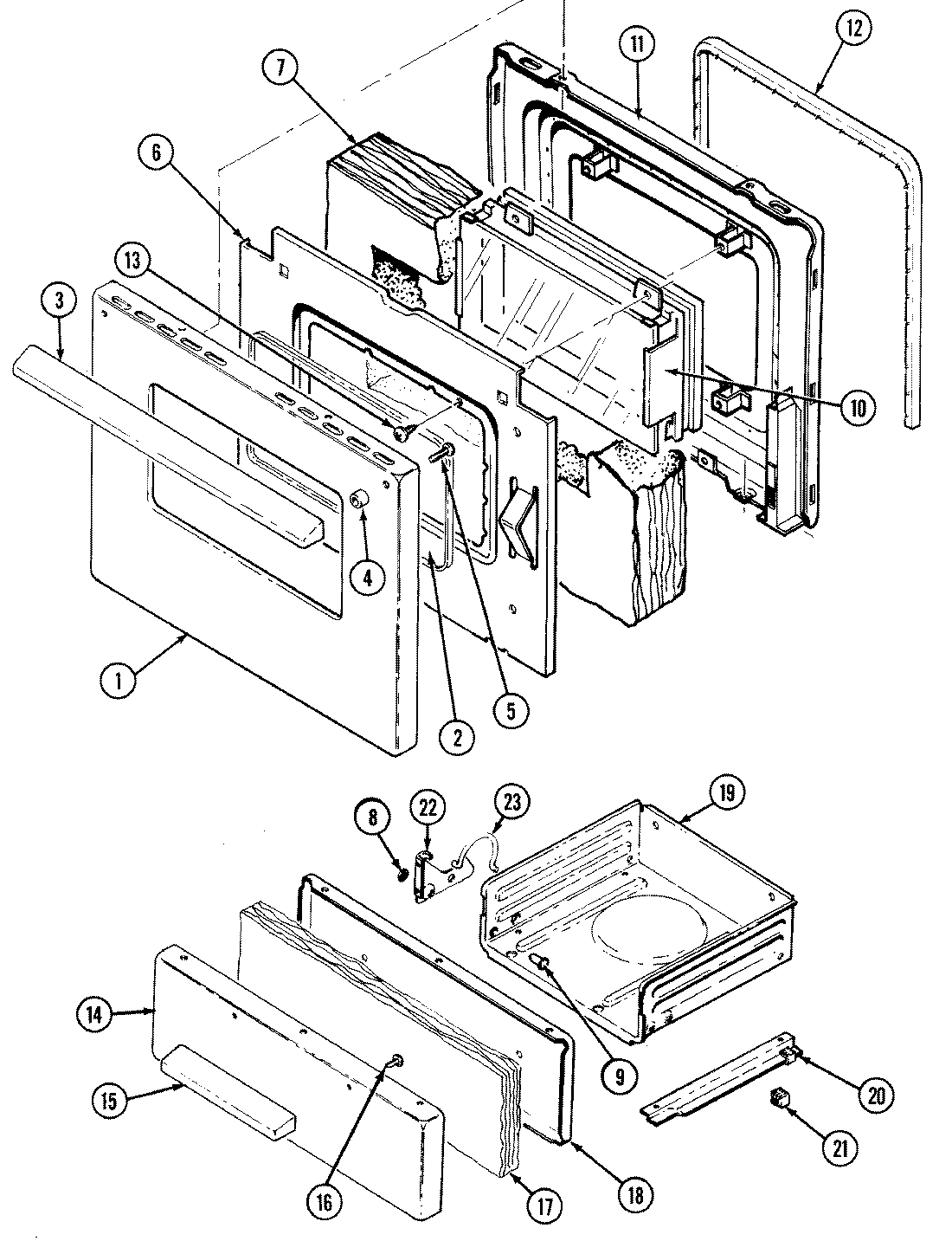
GM3216WRWM 02 – DOOR/DRAWERadmin2025-04-26T09:02:17+00:00GM3216WRWM 02 – DOOR/DRAWER ProductsPositionProduct1MAY 2401F097-622MAY 7201P017-603WP2411F013-70 Whirlpool Door Handle3MAY 7701P030-604MAY 8010P084-605MAY 7101P080-606MAY 3601F232-457MAY 4804F050-608MAY 7103P022-609MAY 7113P012-6010MAY 7907P015-6010CLIP, DOOR11MAY 2402W212-1912MAY 7212P034-6013MAY 7101P290-6014MAY 2403F028-6215MAY 7400182015MAY 7701P012-601674002481 Whirlpool Screw17MAY 4804F025-6018MAY 2404F035-1919MAY 3407F012-1920MAY 3404F023-5120MAY 3404F022-5120MAY 7101P061-6021MAY 8016P011-6021MAY 8016P013-6022MAY 3418F080-5122MAY 3418F079-5123MAY 7803P064-6023MAY 7803P065-60