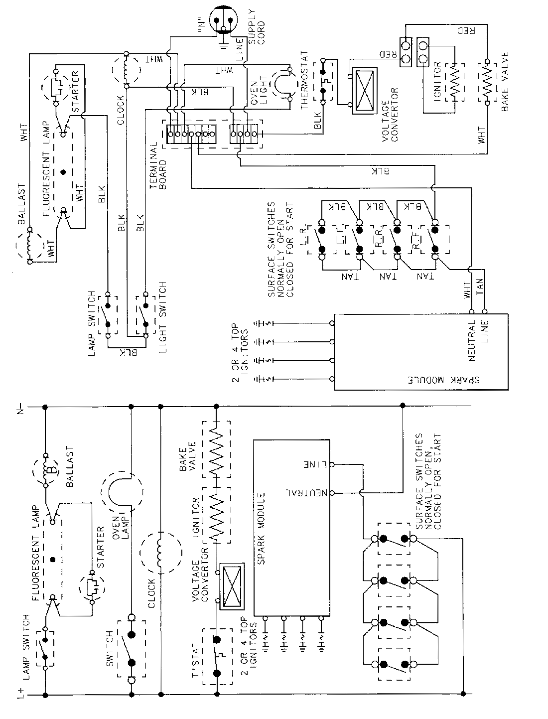
GM3216WRWM 05 – WIRING INFORMATIONadmin2025-04-26T09:01:06+00:00GM3216WRWM 05 – WIRING INFORMATION ProductsPositionProductNIMAY 15001307