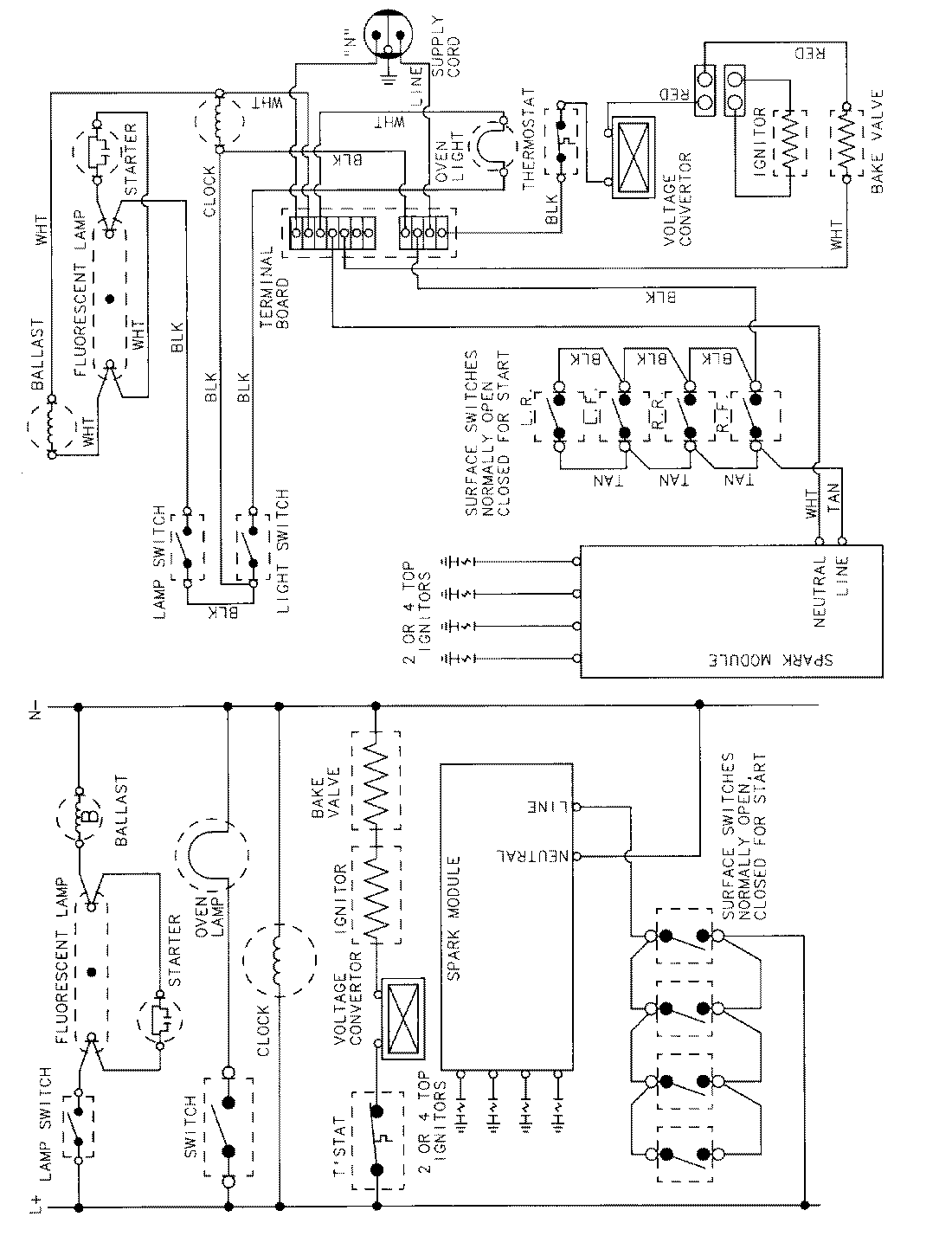
GM3267WUAM 06 – WIRING INFORMATIONadmin2025-04-26T09:00:53+00:00GM3267WUAM 06 – WIRING INFORMATION ProductsPositionProductNIMAY 15001307