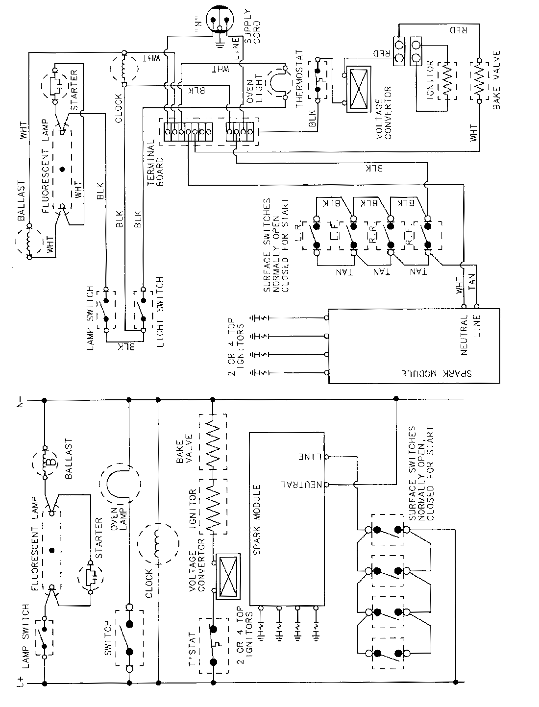
GM3267WUWM 06 – WIRING INFORMATIONadmin2025-04-26T09:03:00+00:00GM3267WUWM 06 – WIRING INFORMATION ProductsPositionProductNIMAY 15001307