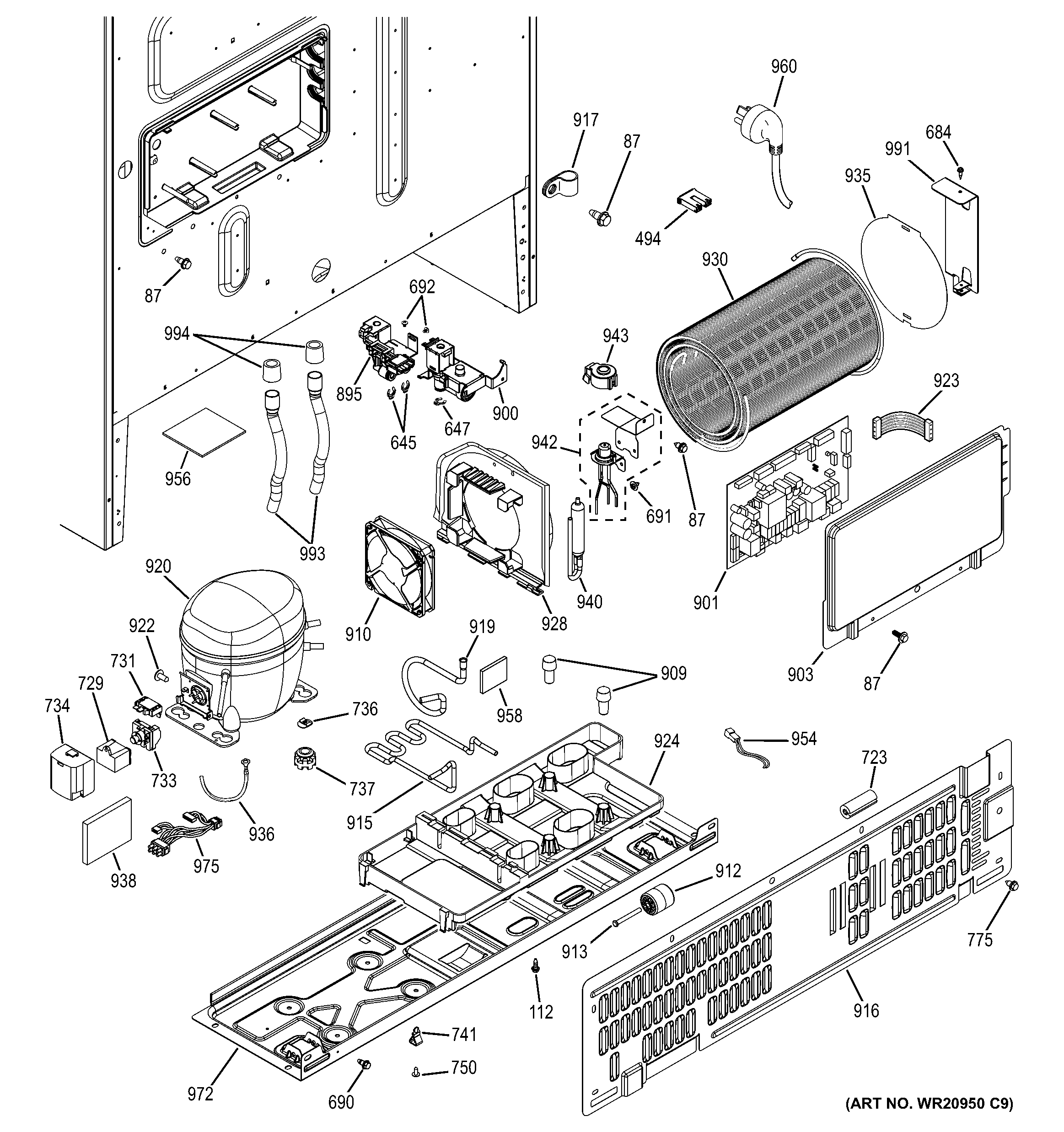
GNE26GMDAES MACHINE COMPARTMENTadmin2025-04-26T09:00:56+00:00GNE26GMDAES MACHINE COMPARTMENT ProductsPositionProduct87WR01X10588 GE Refrigerator Screw 8-18 AB IHXW 9/16 S494WD1X1459 GE Dishwasher Insulation Housing645WR01X11020 GE Connector Clip 1/4647WR01X11041 GE Refrigerator Quick Clip Connector 1/4684WR01X10635 GE Scr 8-32 Ca IHVW .625 S684WR01X10602 GE Refrigerator Screw 8-32 AB IHWS 3/8 S690WZ5X158D GE Screw Package of 12691SCR 12-24TT BHT20 .700 S692SCREW692WR01X10593 GE Refrigerator Screw 8-18 AB IHXW 3/4 S723WR14X10055 GE Refrigerator Slit Grommet Tubing729WR55X24064 GE Refrigerator Run Capacitor731OVERLOAD733WR07X10083 GE Refrigerator Start Relay734GEN WR02X10556736WR2X8583 GE Refrigerator Clip737GROMMET COMPRESSOR741WR1X1779 GE Refrigerator Stud Mounting Compressor750WR1X1786 GE Refrigerator Screw775WD02X10126 GE Dishwasher Screw 10-16 HXW 3/8"895WR55X11146 GE Refrigerator Im Water Valve Assembly900WATER VALVE ISO ASSM901BOARD ASM MAIN REFLASHED903WR02X25126 GE Refrigerator Mainboard Cover909WR02X13668 GE Condenser Support910WR60X10358 GE Refrigerator Condenser Fan Motor Assembly912WR02X13685 GE Refrigerator Wheel913WR01X11008 GE Refrigerator Axle Wheel915JUMPER COMP DISCHARGE916WR82X37208 GE Refrigerator Rear Access Cover917CLAMP TUBE919TUBE SUCTION JUMPER920WR87X20798 GE Refrigerator High Side Assembly922WR01X11038 GE Screw 8-32 Tapping Pan 5/8"923HARNESS PERSONALITY924PAN DRAIN928WR17X13046 GE Refrigerator Plenum Condenser Fan Assembly930WR84X10115 GE Refrigerator Condenser Assembly Formed935WR17X13045 GE Refrigerator Baffle Condenser Air936HARNESS GROUND938BLANKET ACOUSTIC938WR17X20164 GE Refrigerator Hinge Endcap Assembly DGY (2pk)940DRYER FILTER943VALVE BODY ASM954WR23X10768 GE Doghouse Harness954HARNESS JUMPER956WR02X13713 GE Refrigerator Mastic Pad958WR02X13724 GE Refrigerator Sound Deadening Mastic960WR23X10744 GE Refrigerator Power Cord972BASE COMPRESSOR975HARNESS JUMPER HI SIDE991WR02X13622 GE Refrigerator Condenser Bracket993WR02X28554 GE Refrigerator Drain Tube and Valve994CHECK VALVE