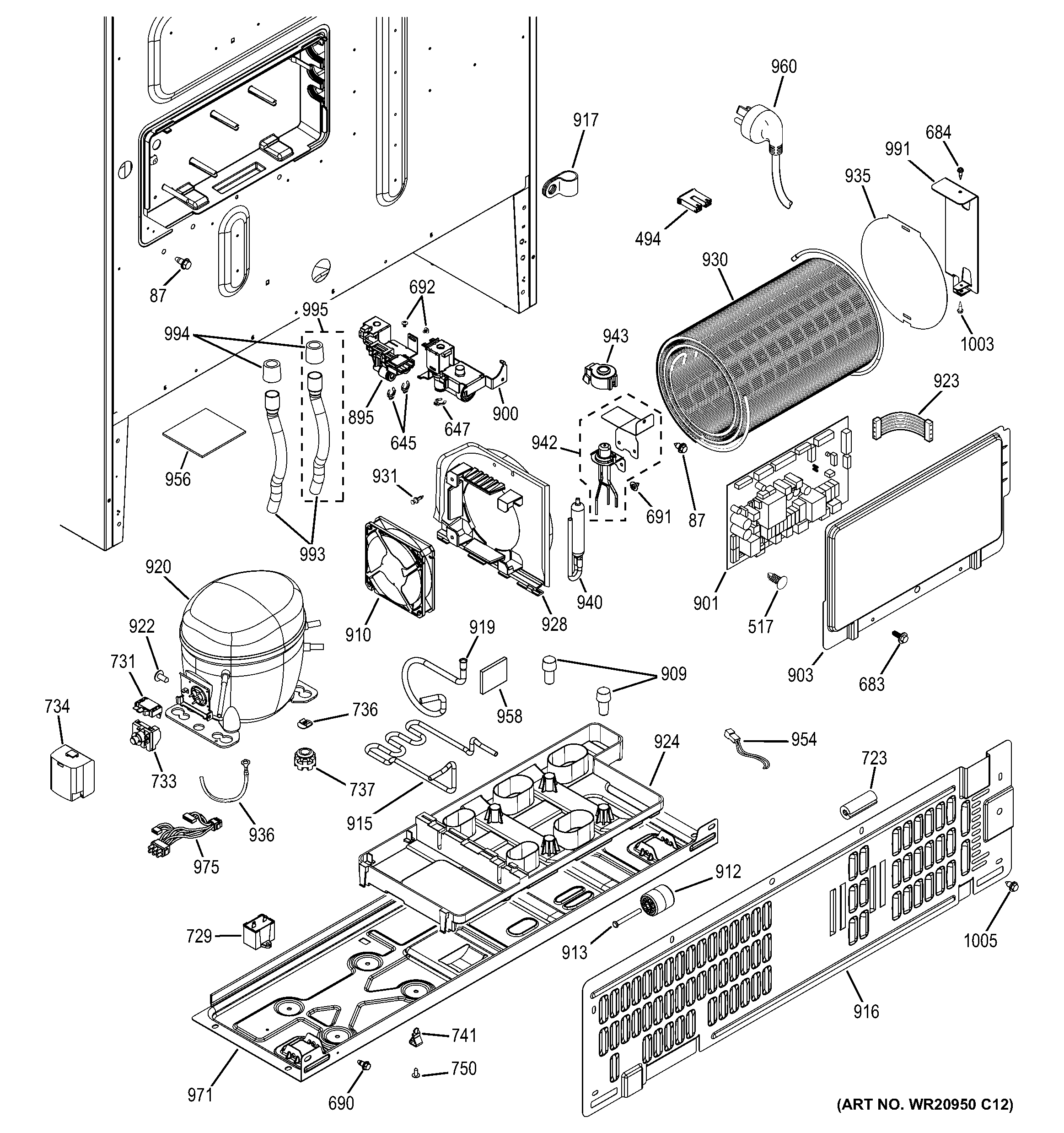
GNE26GMDBES MACHINE COMPARTMENT

GNE26GMDBES MACHINE COMPARTMENT

Products

PositionProduct
494WD1X1459 GE Dishwasher Insulation Housing
517FASTENER PUSH
645WR01X11020 GE Connector Clip 1/4
647WR01X11041 GE Refrigerator Quick Clip Connector 1/4
683WR01X10602 GE Refrigerator Screw 8-32 AB IHWS 3/8 S
684WR01X10635 GE Scr 8-32 Ca IHVW .625 S
690WZ5X158D GE Screw Package of 12
691SCR 12-24TT BHT20 .700 S
692SCREW
723WR14X10055 GE Refrigerator Slit Grommet Tubing
729WR55X24064 GE Refrigerator Run Capacitor
731OVERLOAD
733WR07X10083 GE Refrigerator Start Relay
734GEN WR02X10556
736WR2X8583 GE Refrigerator Clip
737GROMMET COMPRESSOR
741WR1X1779 GE Refrigerator Stud Mounting Compressor
750WR1X1786 GE Refrigerator Screw
895WR55X11146 GE Refrigerator Im Water Valve Assembly
900WATER VALVE ISO ASSM
901BOARD ASM MAIN REFLASHED
903WR02X25126 GE Refrigerator Mainboard Cover
909WR02X13668 GE Condenser Support
910WR60X10358 GE Refrigerator Condenser Fan Motor Assembly
912WR02X13685 GE Refrigerator Wheel
913WR01X11008 GE Refrigerator Axle Wheel
915JUMPER COMP DISCHARGE
916WR82X37208 GE Refrigerator Rear Access Cover
917CLAMP TUBE
919TUBE SUCTION JUMPER
920WR87X20798 GE Refrigerator High Side Assembly
922WR01X11038 GE Screw 8-32 Tapping Pan 5/8"
923HARNESS PERSONALITY
924PAN DRAIN
928WR17X13046 GE Refrigerator Plenum Condenser Fan Assembly
930WR84X10115 GE Refrigerator Condenser Assembly Formed
931WR01X11070 GE Plastic Rivet
935WR17X13045 GE Refrigerator Baffle Condenser Air
936HARNESS GROUND
940DRYER FILTER
943VALVE BODY ASM
954WR23X10768 GE Doghouse Harness
956WR02X13713 GE Refrigerator Mastic Pad
958WR02X13724 GE Refrigerator Sound Deadening Mastic
960WR23X10744 GE Refrigerator Power Cord
971BASE COMPRESSOR
975HARNESS JUMPER HI SIDE
991WR02X13622 GE Refrigerator Condenser Bracket
993WR02X28554 GE Refrigerator Drain Tube and Valve
994CHECK VALVE
1005WR01X11049 GE Refrigerator Screw 1/4-20 HXW 7/8"