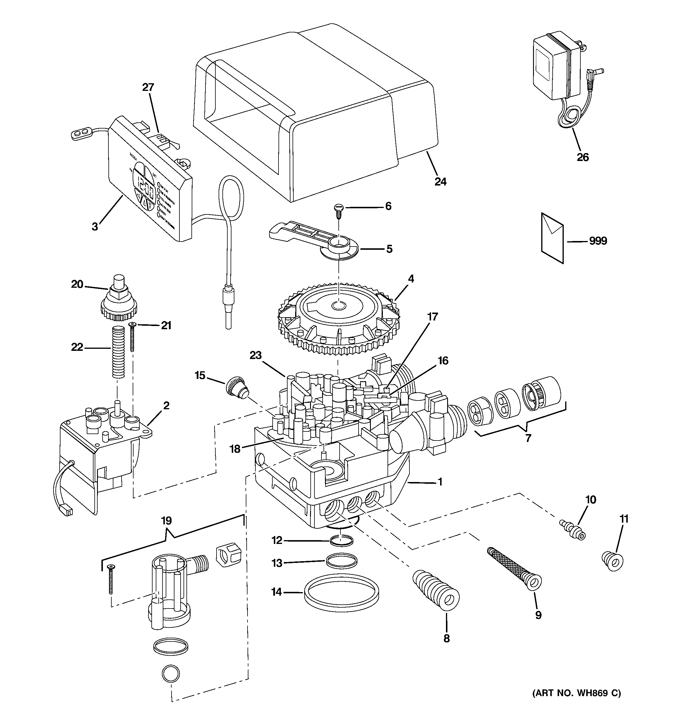
GNPR40L00 CONTROLS & PUMP