| *85959 | WCI 5303272555 |
| *85959 | WCI 5308010401 |
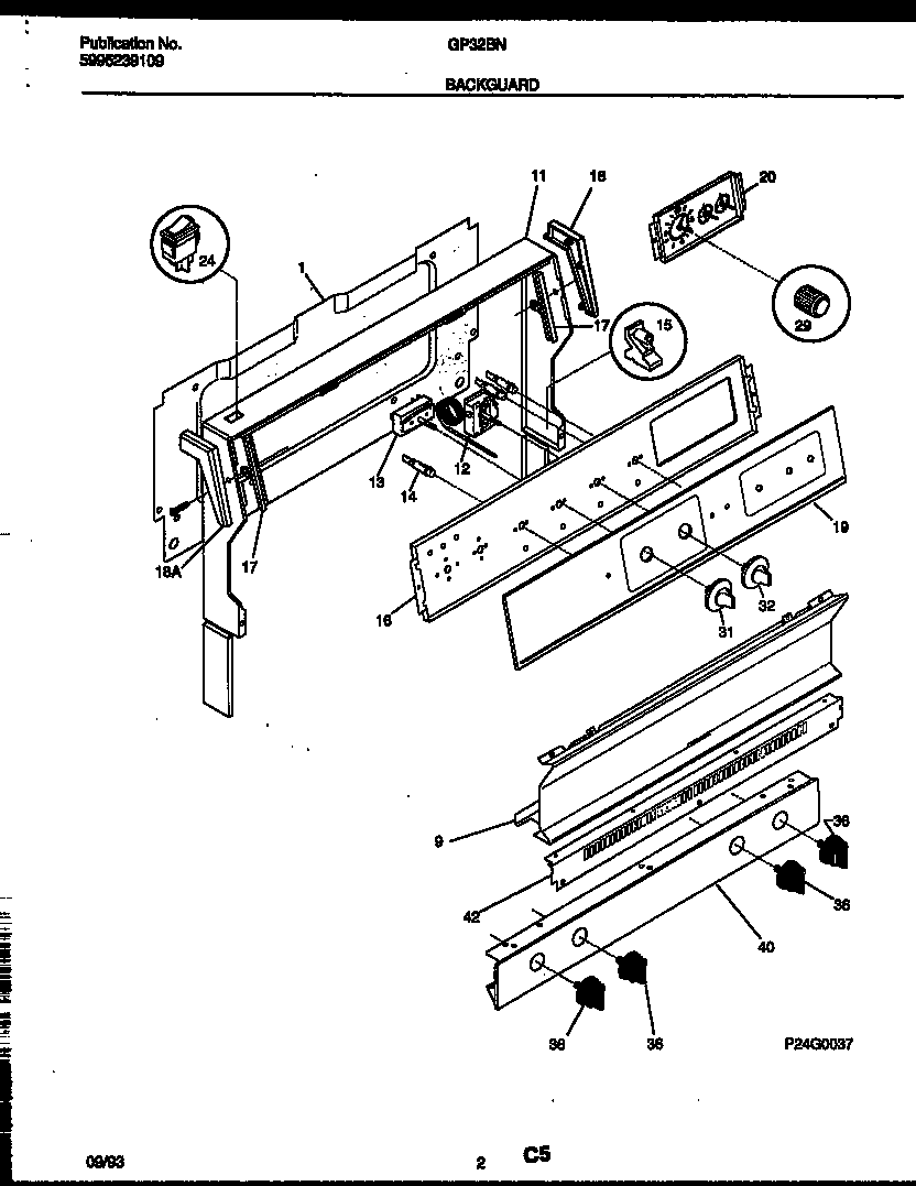
| 1 | SHIELD-BACKGUARD, REAR WALL |
| 9 | WCI 3131239 |
| 11 | WCI 3131238 |
| 12 | THERMOSTAT-BAKE |
| 13 | SWITCH SELECTOR 5 POS |
| 14A | INDICATOR LIGHT-LOCK (1) |
| 14 | WCI 5308037896 |
| 15 | SUPPORT-BACKGUARD,(2) |
| 16 | WCI 316042601 |
| 17 | TRIM-GLASS RTNR. LH & RH |
| 18 | SHIELD-REAR WALL |
| 18A | WCI 3131229 |
| 19 | WCI 5303210879 |
| 20 | CLOCK |
| 29 | KNOB - CLOCK (3) - GREY |
| 31 | KNOB-TOP ELEMENTS (3) |
| 32 | KNOB-TOP ELE DUAL (1) |
| 36 | WCI 5303210280 |
| 40 | WCI 5303210895 |
| 42 | WCI 3131241 |