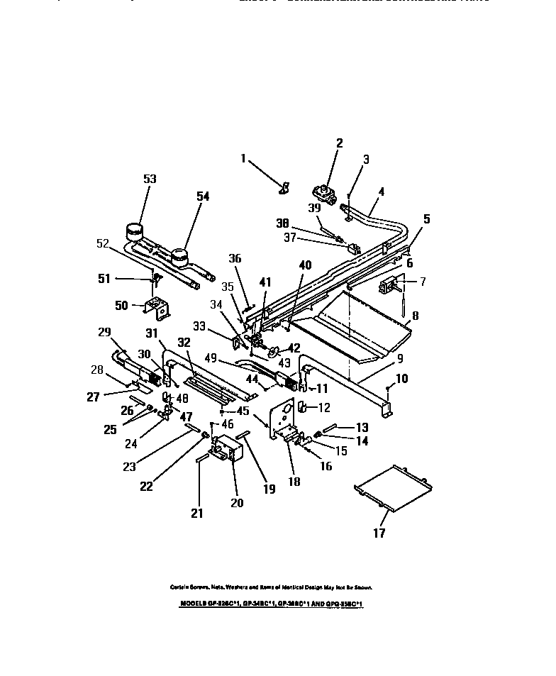
GP38BCL1 30 – BURNERS, IGNITORS, CONTROLSadmin2025-04-26T10:24:16+00:00GP38BCL1 30 – BURNERS, IGNITORS, CONTROLS ProductsPositionProduct1CLIP, CAPILLARY TUBE2WCI 80079744WCI 80139065WCI 80140216WCI 80079797WCI 80114928WCI 80115119WCI 801144314WCI 800798315WCI 801147116WCI 800796517WCI 801150918WCI 800798720WCI 801150321WCI 801150022WCI 801146924MIXER, PIN25WCI 801146726WCI 801150127WCI 801155529WCI 801145430WCI 800801131WCI 801144432WCI 801150833SWITCH-MICRO34WCI 800800035WCI 800799136WCI 801392137SHUT OFF VALVE38WCI 800836339WCI 801393641VALVE GRIDDLE42CAM, GRIDDLE VALVE (4)43SCREW (2)45WCI 800796046WCI 800791647WCI 800798948WCI 800801049WCI 801388350WCI 801400251IGNITOR, TOP BURNER, R.H.52WCI 800790553WCI 801385354WCI 8013852