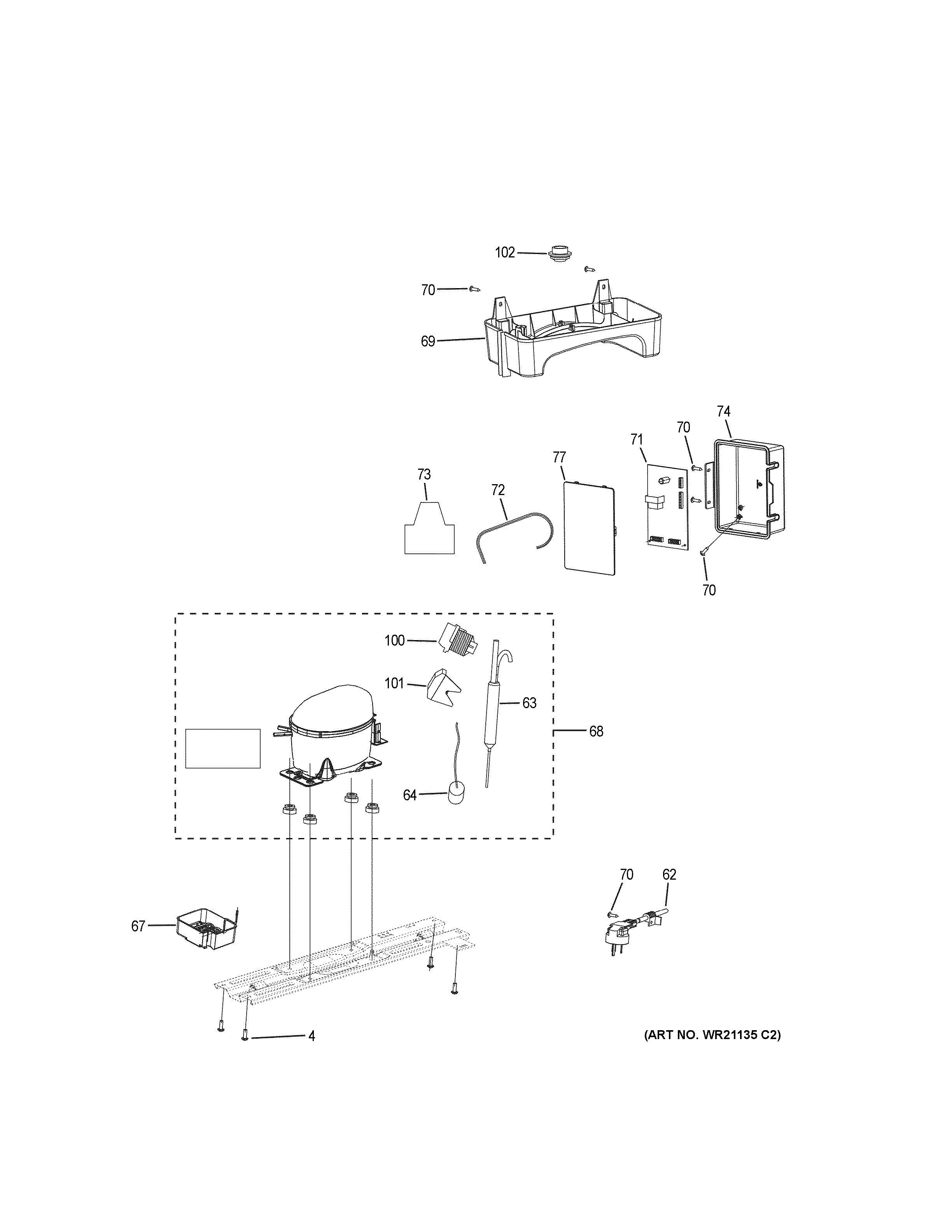
GPE12FGKBWW MACHINE COMPARTMENTadmin2025-04-26T10:15:18+00:00GPE12FGKBWW MACHINE COMPARTMENT ProductsPositionProduct4WR01X20263 GE Refrigerator Screw62WR55X31054 GE Refrigerator Power Cord63WR86X22669 GE Refrigerator Dryer64WR55X22023 GE Refrigerator Capacitor67WR84X25077 GE Drip Pan Discharge Tube68WR87X25693 GE Refrigerator Compressor Kit69WR02X26260 GE Refrigerator Drain Tray70WR01X20385 GE Refrigerator Screw71WR55X26266 GE Refrigerator Main Board Assembly72WR87X20387 GE Suction Tube73I/M CONNECTOR CVR74CONTROL BOX77CONTROL BOX COVER100WR55X22042 GE Refrigerator PTC Starter101WR55X22043 GE Refrigerator Thermal Protector102DRAIN CHECK VALVE