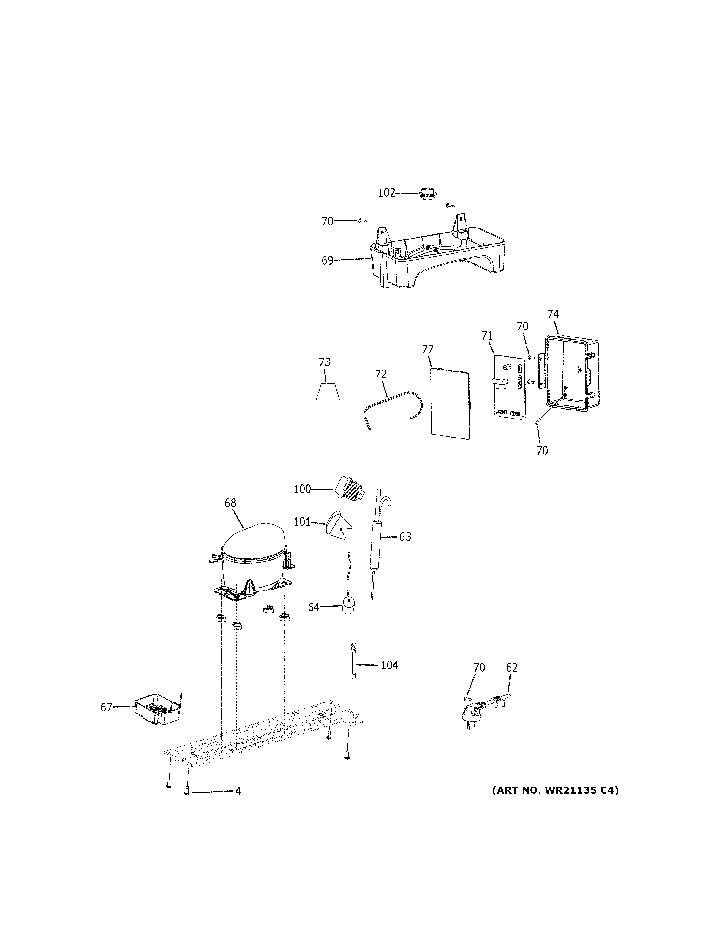
GPE12FGKDWW MACHINE COMPARTMENTadmin2025-04-26T10:15:49+00:00GPE12FGKDWW MACHINE COMPARTMENT ProductsPositionProduct4WR01X20263 GE Refrigerator Screw62WR55X31054 GE Refrigerator Power Cord63WR87X30875 GE Refrigerator R600 Dryer with Red Cap64WR55X31704 GE Capacitor67WR87X31707 GE Refrigerator Auxiliary Condenser68WR87X31702 GE Refrigerator Compressor69WR02X26260 GE Refrigerator Drain Tray70WR01X20385 GE Refrigerator Screw71WR55X26266 GE Refrigerator Main Board Assembly72WR87X20387 GE Suction Tube73I/M CONNECTOR CVR74CONTROL BOX77CONTROL BOX COVER100WR55X31710 GE Refrigerator PTC Starter101WR09X31703 GE Overload Protector102DRAIN CHECK VALVE104WR87X30876 GE Refrigerator R600 Process Valve with Red Cap