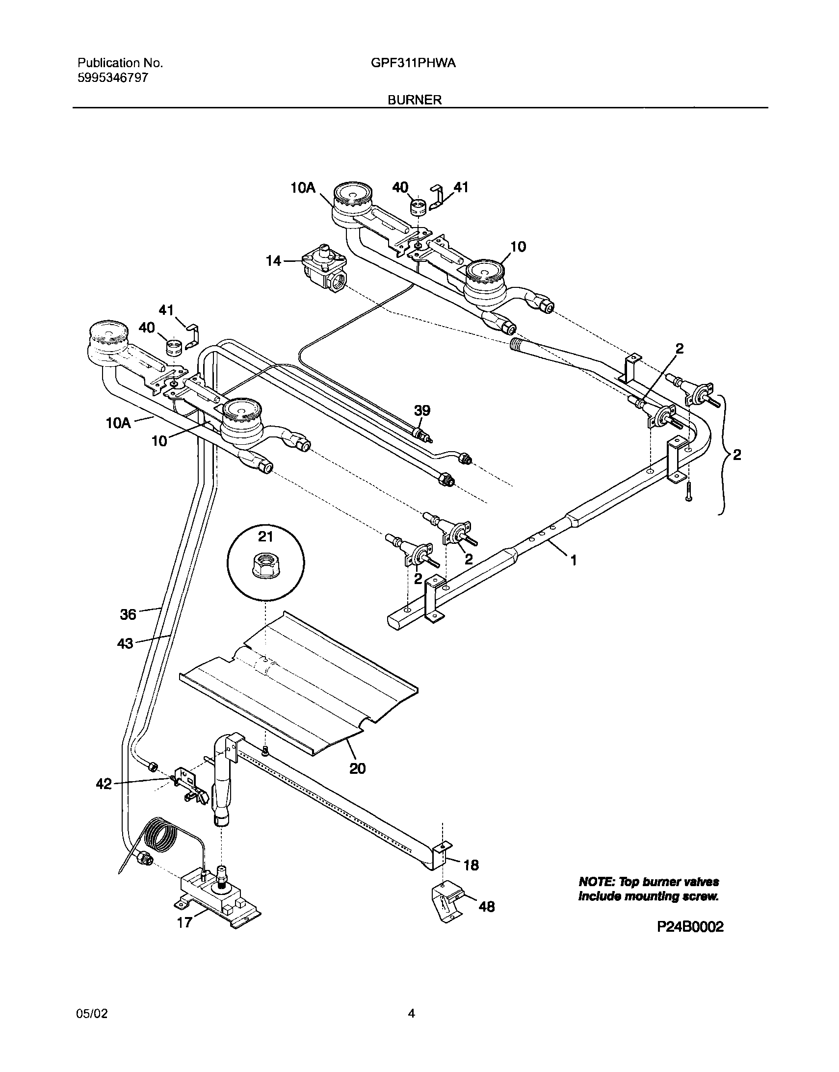
| NI | 5303271648 Frigidaire Oven Screw |
| NI | 316048200 Frigidaire Oven Screw |
| 1 | WCI 316113501 |
| 2 | WCI 316098600 |
| 10A | 5304506426 Frigidaire Oven Top Rear Burner |
| 10 | 5304506427 Frigidaire Oven Range Surface Burner (White) |
| 14 | WCI 316113600 |
| 17 | WCI 5303280593 |
| 18 | WCI 5303280585 |
| 20 | WCI 3203265 |
| 21 | 5303013272 Frigidaire Oven Nut |
| 36 | WCI 316060800 |
| 39 | TUBING-TOP PILOT, DUAL |
| 40 | CAP-TOP PILOT, (2) |
| 41 | SHIELD-PILOT, STAINLESS STEEL, (2) |
| 42 | WCI 5303280589 |
| 43 | Tubing`thermo/pilot `3/16 ,alum |
| 48 | WCI 3018603 |