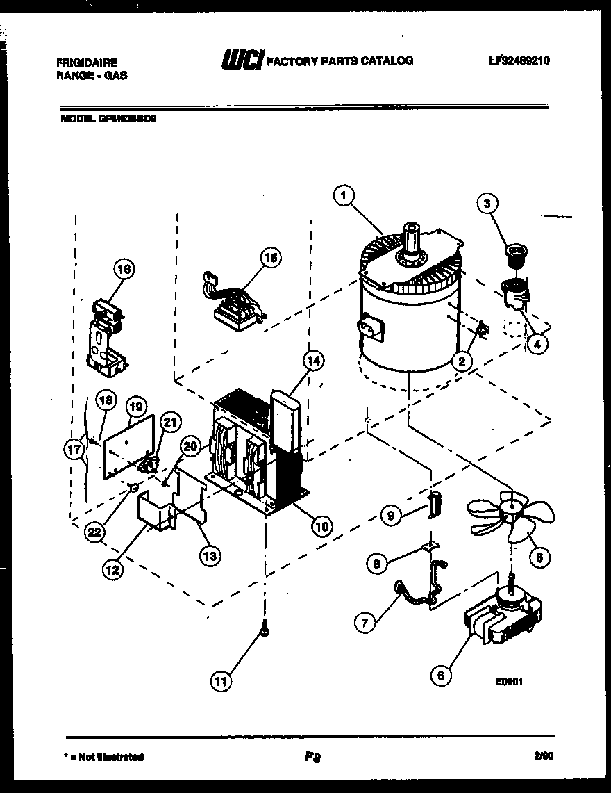
GPM638BDL9 08 – POWER CONTROLadmin2025-04-26T10:16:30+00:00GPM638BDL9 08 – POWER CONTROL ProductsPositionProduct*29873HARNESS MAIN*29873WCI 8012115*29873WCI 8010494*29873WCI 8008928*29873WCI 8008908*29873WCI 603T054P011WCI 80089171ANUT-HEX 5 MILLIMETER (NON-ILLUSTRATED)2WCI 80128623WCI 80120544WCI 80120555WCI 80121826WCI 80122037WCI 80104788WCI 80128589DIODE11SCREW-TRANSFORM (2)12WCI 801048313WCI 801048414WCI 803762415TRANSFORMER-LOW VOLTAGE16WCI 801048716AWCI 801048816BWCI 801206818WCI 800897119WCI 801048920WCI 801206621TRIAC22SCREW-RET (NON-ILLUSTRATED)