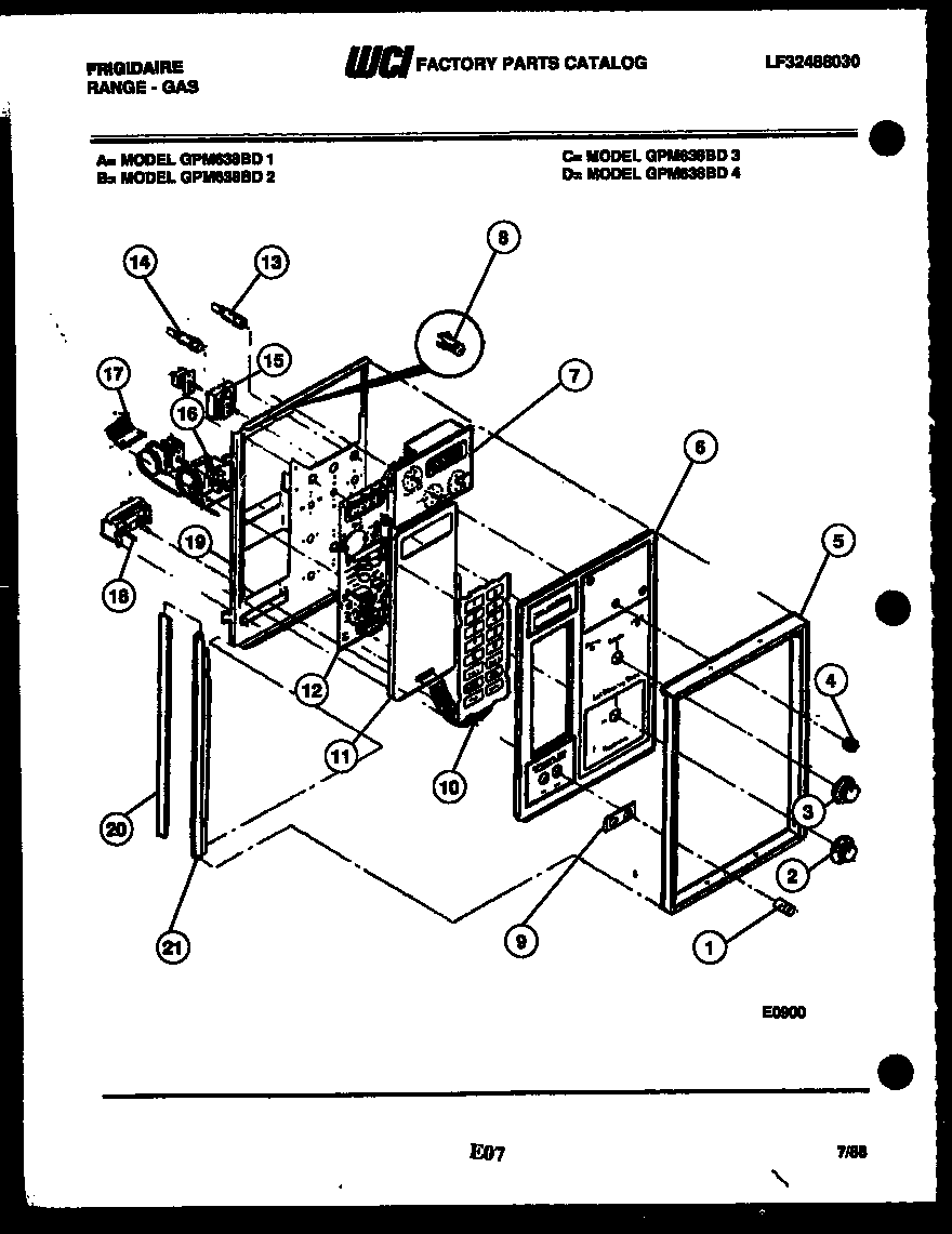
GPM638BDW4 07 – CONTROL PANEL