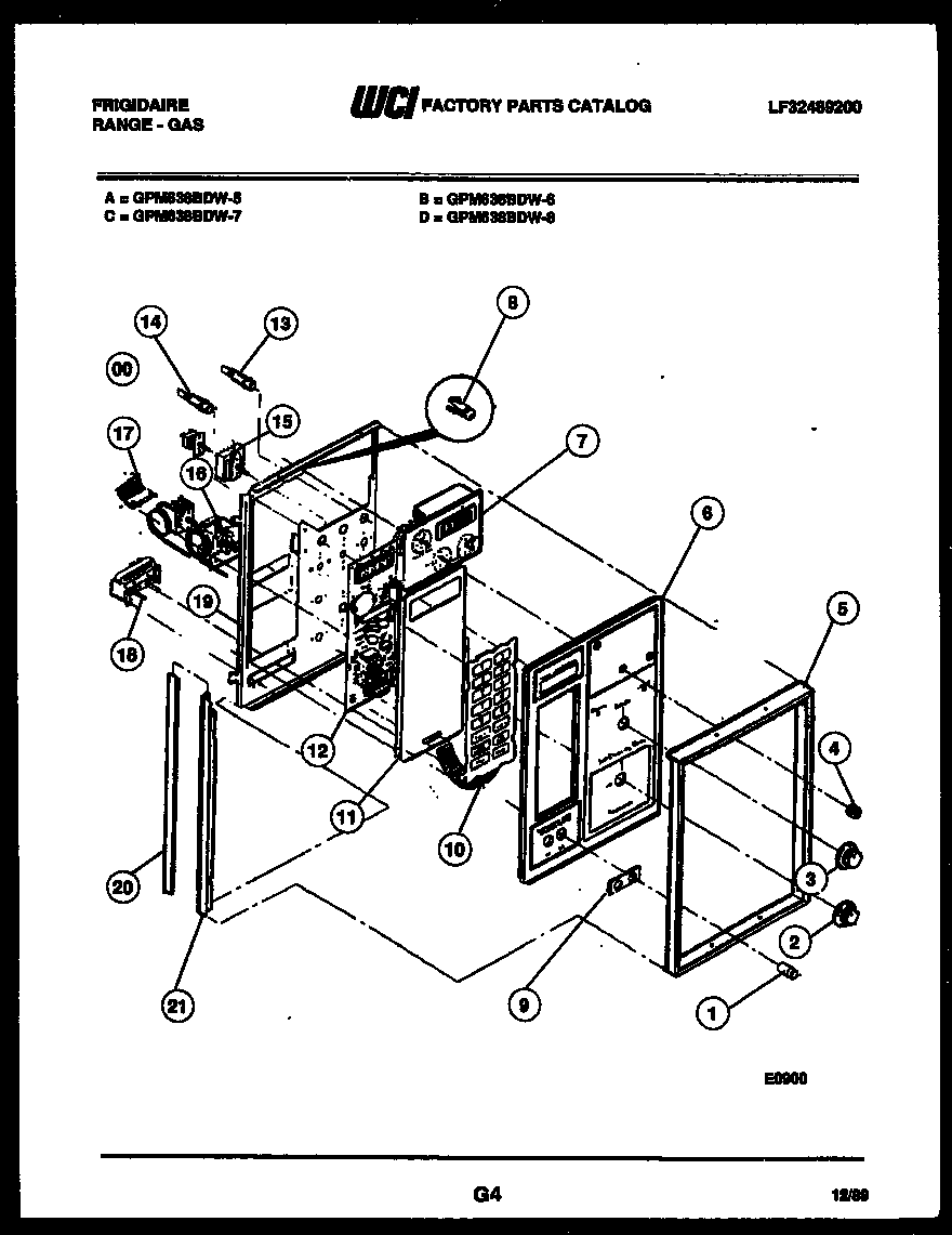
GPM638BDW7 07 – CONTROL PANELadmin2025-04-26T10:14:42+00:00GPM638BDW7 07 – CONTROL PANEL ProductsPositionProduct*27955BUSHING (2)1WCI 80103992WCI 30157113WCI 30157104WCI 80379015WCI 30912256WCI 30912267WCI 80379158NUT (4)9WCI 801041010WCI 803790411WCI 801041212WCI 801286812AWCI 800890413INDICATOR LIGHT (4)15SWITCH SLCTR-5 POS16WCI 0806792817WCI 800891118A5303288565 Frigidaire Screw18WCI 800891019WCI 309146819ASCREW (2)20SEAL21WCI 8011888