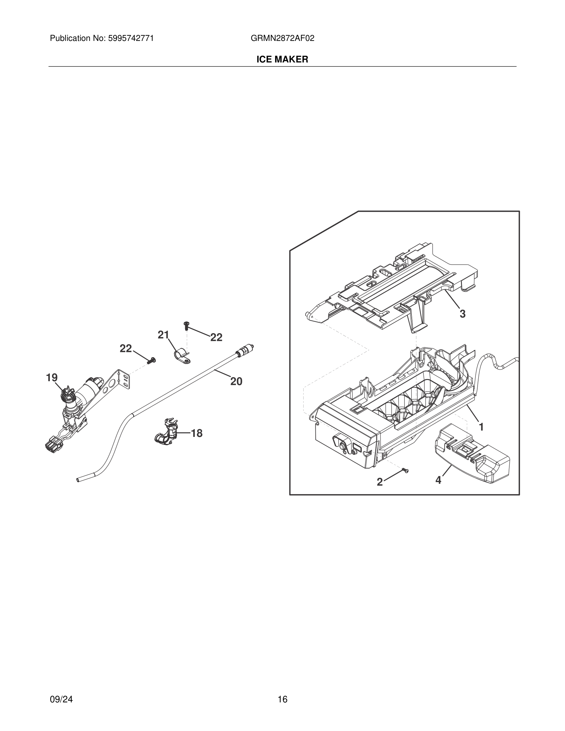
GRMN2872AF02 17 – ICE MAKERadmin2025-04-26T10:17:51+00:00GRMN2872AF02 17 – ICE MAKER ProductsPositionProduct*CLAMP, WATER TUBE*CABLE TIE, 2.5 X 1201#5304532556 Frigidaire Refrigerator Ice Maker Component2241641502 Frigidaire Refrigerator Screw35304523075 Frigidaire Refrigerator Bracket45304524340 Frigidaire Refrigerator Cover18242200102 Frigidaire Refrigerator Clip19#5304536607 Frigidaire Valve20#TUBE ASMY,INLET WATER,OVERMOLD21240396801 Frigidaire Refrigerator Tube Clamp22811949503 Frigidaire Screw