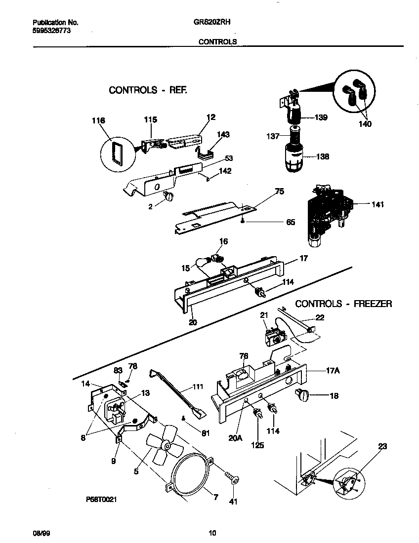
GRS20ZRHW3 06 – CONTROLS