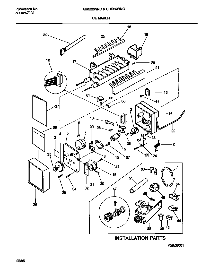
GRS22WNCW0 10 – ICE MAKERadmin2025-04-26T10:19:38+00:00GRS22WNCW0 10 – ICE MAKER
Products
| Position | Product |
|---|
| 1 | 5308010366 Frigidaire Refrigerator P1-Water Inlet Tube |
| 2 | WCI 3206348 |
| 3 | Label,ID plate |
| 4 | 5304469403 Frigidaire Gear |
| 5 | WCI 3206303 |
| 6 | 218359202 Frigidaire Refrigerator Screw |
| 7 | 5303918277 Frigidaire Refrigerator Ice Maker Assembly |
| 8 | SPACER-HOLD SWITCH |
| 9 | WCI 3206313 |
| 10 | WCI 3206315 |
| 11 | 3206319 Frigidaire Refrigerator Thermal Cut-Off Assembly P1 |
| 12A | HARNESS-WIRING, INTERNAL IM, WITH PLUG |
| 12B | PLUG, ``ONLY`` |
| 13 | Thermostat Assy,ice maker |
| 14 | SCREW,4-24 X 0.750 ,(6) |
| 15 | 5304456667 Frigidaire Refrigerator Micro Switch |
| 16 | WCI 3206326 |
| 17 | 241798231 Frigidaire Refrigerator Ice Maker Assembly |
| 18 | EJECTOR-ICE |
| 19 | WCI 3206330 |
| 20 | WCI 3206331 |
| 21 | ICE STRIPPER |
| 22 | SHUT-OFF ARM |
| 23 | SCREW - SUP / MOLD BODY, 8-18 X 1, (4) |
| 24 | 5304456675 Frigidaire Refrigerator Lever Arm |
| 25 | SCREW,8-18 X 0.562 ,LEVER ARM/SPRT |
| 26 | SCREW-THERMO/SPRT, 4-24 X 3/8, (4) |
| 27 | SCREW,4-40 X 1.000 ,HOLD SWITCH MTG , |
| 28 | Screw-timing stop`4-40 x 0.375 |
| 29 | SCREW-MTR & SW/PLATE, 4-40 X 3/4, (4) |
| 30 | SCREW-TIMING ADJ,8-32 X 1.000 |
| 31 | WCI 3206342 |
| 32 | WCI 3206343 |
| 33 | WCI 3206344 |
| 34 | SCREW - MTG PLATE / SPRT, 8-18 X 7/16, (3) |
| 35 | SCREW - GEAR / CAM, 6-20 X 0.437 |
| 36 | COVER-ICE MAKER |
| 37 | WCI 5303207442 |
| 38 | WCI 5303207445 |
| 39 | WCI 5303289065 |
| 44 | 5308000133 Frigidaire Refrigerator Clamp |
| 45 | 5304455651 Frigidaire Refrigerator Screw |
| 46 | 5303001193 Frigidaire Refrigerator Clamp |
| 47 | WCI 5308000205 |
| 48 | NUT, 7/16 X 20, NYLON |
| 51 | WCI 215811600 |
| 55B | Screw-solenoid valve,hx hd-slot wshr ,12-24 x 3/4 |
| 55A | WCI 215197400 |
| 55C | CAP-WATER VALVE (NON-ILLUSTRATED) |
| 59 | WCI 5303001191 |
| 60 | 5304455852 Frigidaire Refrigerator Screw |
| 61 | 218721500 Frigidaire Refrigerator Bracket-Leveling |
| 62 | 240555002 Frigidaire Refrigerator Screw #8-32 X 3/8 |
| 63 | WCI 215552300 |
| 64 | 5304455846 Frigidaire Refrigerator Clamp |