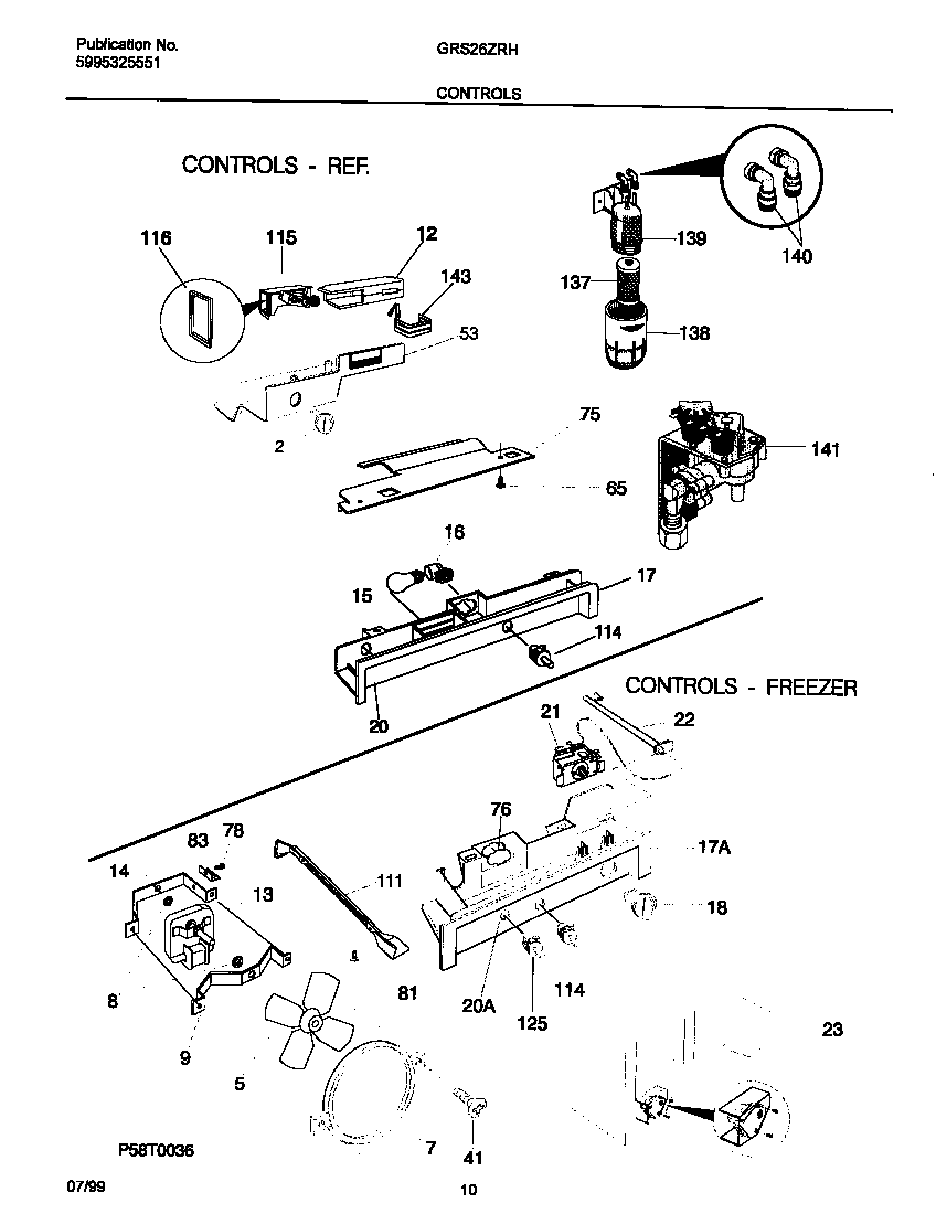
GRS26ZRHD1 06 – CONTROLS