GRT17CRAW0 03 – CABINET PARTSadmin2025-04-26T12:01:37+00:00GRT17CRAW0 03 – CABINET PARTS
Products
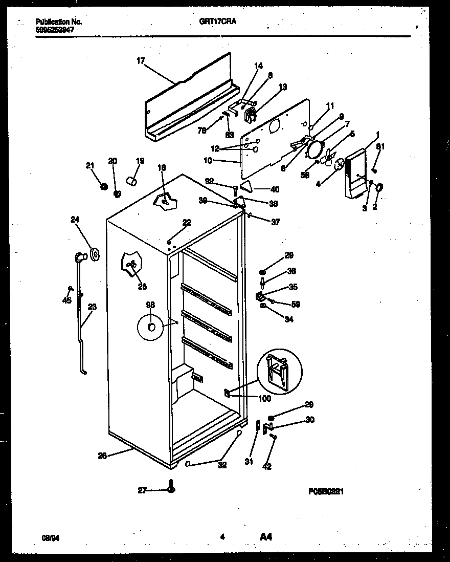
| Position | Product |
|---|
| *80254 | PLUG, BUTTON, CABINET LINER (NI) |
| 1 | WCI 5303299977 |
| 2 | WCI 5303299978 |
| 3 | Nut,push-on |
| 4 | DAMPER-FAN COVER |
| 5 | 5308000010 Frigidaire Refrigerator Evaporator Fan Blade |
| 7 | RING-FAN ORIFICE |
| 8 | G187559 Frigidaire Refrigerator Bushing |
| 9 | WCI 5303205118 |
| 10A | WCI 5303209636 |
| 10 | WCI 3001527 |
| 11 | 5303208309 Frigidaire Refrigerator Plug Hole |
| 12 | WCI 215079000 |
| 12 | WCI 215079100 |
| 13 | 5300158289 Frigidaire Evaporator Fan Motor |
| 14 | BRACKET-MOTOR MTG, REAR |
| 17 | TROUGH-DRAIN |
| 18 | SUPPORT - EVAP COVER, (2) |
| 19 | TUBE-RUBBER |
| 20 | WCI 5303001286 |
| 21 | WCI 5303001287 |
| 22 | PLUG-BUTTON, WHITE |
| 23 | WCI 5303210377 |
| 24 | WCI 5303207353 |
| 25 | WCI 215774100 |
| 26 | BASE-CABINET |
| 27 | Screw-leveling,(2) |
| 29 | WASHER, .34 X .62 X .05, NYLON |
| 30B | TAPPING PLATE, GUSSET, RH (NOT ILLUSTRATED) |
| 30 | BRACKET-LOWER HINGE, W/ HINGE PIN |
| 30A | TAPPING PLATE, GUSSET, LH (NOT ILLUSTRATED) |
| 31 | WCI 5303212488 |
| 32 | WCI 5303212923 |
| 34 | WCI 5308000186 |
| 35 | WCI 218085400 |
| 36 | WCI 5308000184 |
| 37 | TRIM-CABINET CORNER, WHITE |
| 38 | BRACKET-UPPER HINGE |
| 38A | TAPPING PLATE, UPPER HINGE (2) (NOT ILLUSTRATED) |
| 39 | SHIM - UPPER HINGE |
| 40 | COVER-UPPER HINGE, WHITE |
| 42 | 241710601 Frigidaire Refrigerator Screw |
| 45 | 5304455651 Frigidaire Refrigerator Screw |
| 59 | WCI 215097000 |
| 81 | 5304455650 Frigidaire Refrigerator Screw |
| 83 | WCI 5308000107 |
| 98 | 215099701 Frigidaire Refrigerator Button Plug |
| 100 | SUPPORT-PAN COVER |