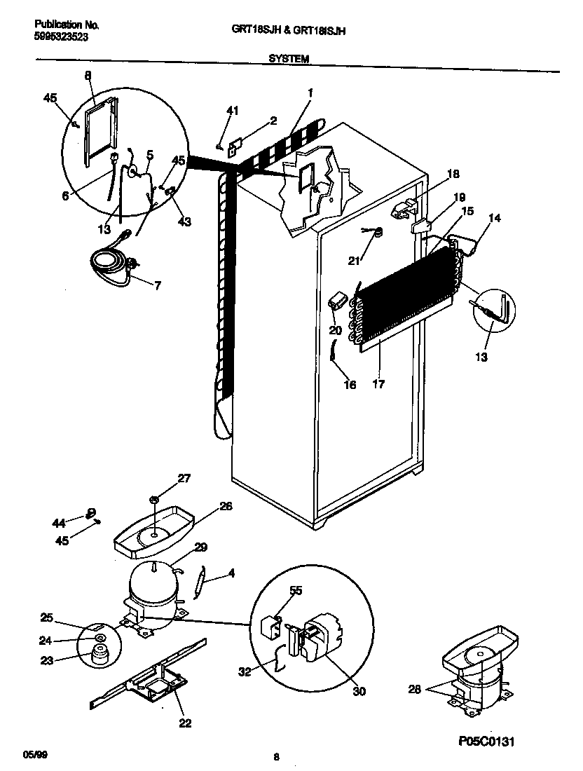
GRT18ISJHD0 05 – SYSTEM