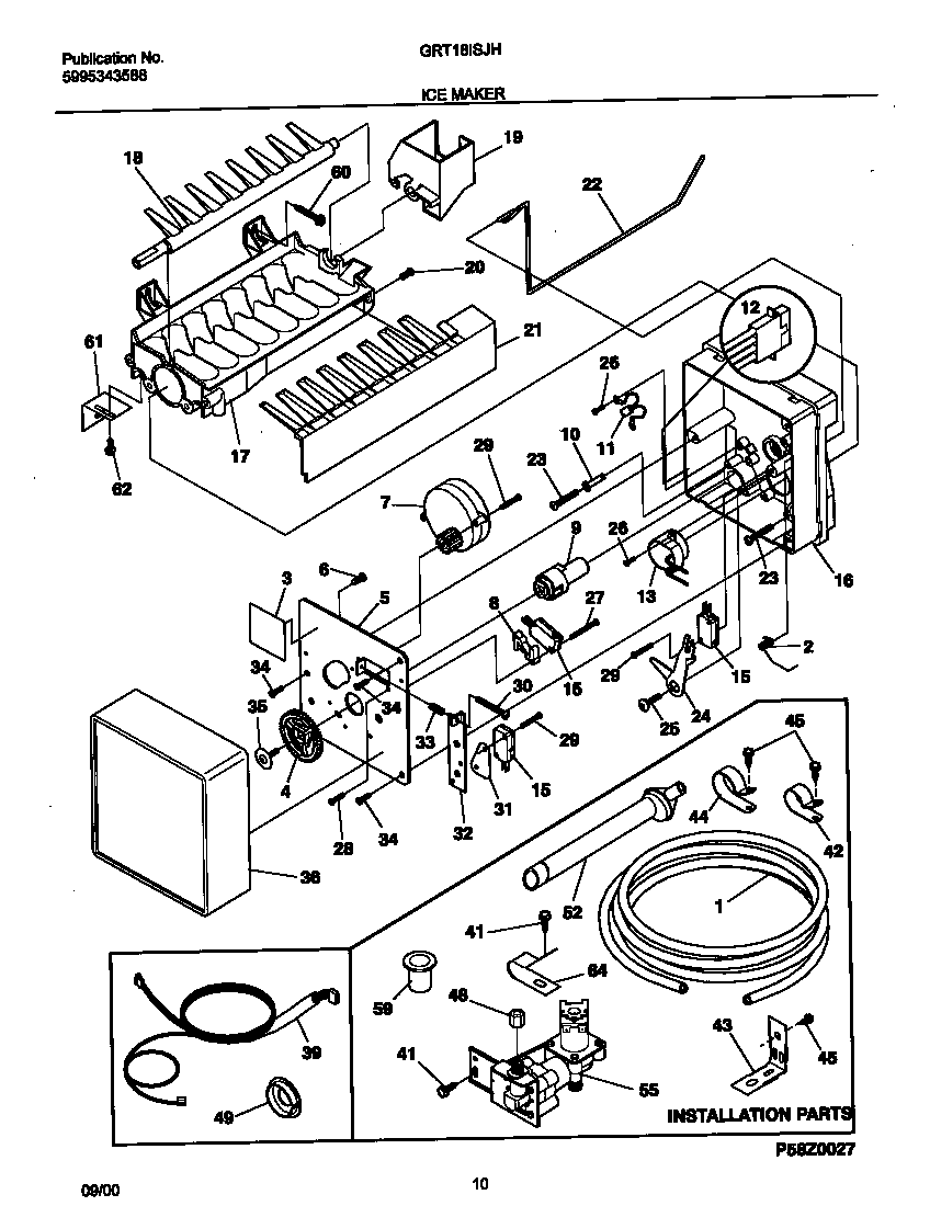
GRT18SJHD2 06 – ICE MAKERadmin2025-04-26T12:01:04+00:00GRT18SJHD2 06 – ICE MAKER
Products
| Position | Product |
|---|
| *20510 | 5303918277 Frigidaire Refrigerator Ice Maker Assembly |
| *20507 | PLUG, ``ONLY`` |
| *20508 | 218843801 Frigidaire Refrigerator Screw |
| *20509 | CAP-WATER VALVE (NON-ILLUSTRATED) |
| 1 | 5308010366 Frigidaire Refrigerator P1-Water Inlet Tube |
| 2 | WCI 3206348 |
| 3 | Label,ID plate |
| 4 | 5304469403 Frigidaire Gear |
| 5 | WCI 3206303 |
| 6 | 218359202 Frigidaire Refrigerator Screw |
| 8 | SPACER-HOLD SWITCH |
| 9 | WCI 3206313 |
| 10 | WCI 3206315 |
| 11 | 3206319 Frigidaire Refrigerator Thermal Cut-Off Assembly P1 |
| 12 | HARNESS-WIRING, INTERNAL IM, WITH PLUG |
| 13 | Thermostat Assy,ice maker |
| 15 | 5304456667 Frigidaire Refrigerator Micro Switch |
| 16 | WCI 3206326 |
| 17 | 241798231 Frigidaire Refrigerator Ice Maker Assembly |
| 18 | EJECTOR-ICE |
| 19 | WCI 3206330 |
| 20 | WCI 5304408581 |
| 21 | ICE STRIPPER |
| 22 | SHUT-OFF ARM |
| 23 | SCREW,8-32 X 0.875 ,MOLD-TO-SUPPORT , |
| 24 | 5304456675 Frigidaire Refrigerator Lever Arm |
| 25 | SCREW,8-18 X 0.562 ,LEVER ARM/SPRT |
| 26 | SCREW-THERMO/SPRT, 4-24 X 3/8, (4) |
| 27 | SCREW,4-40 X 1.000 ,HOLD SWITCH MTG , |
| 28 | Screw-timing stop`4-40 x 0.375 |
| 29 | SCREW,4-24 X 0.750 ,(6) |
| 30 | SCREW-TIMING ADJ,8-32 X 1.000 |
| 31 | WCI 3206342 |
| 32 | WCI 3206343 |
| 33 | WCI 5304408583 |
| 34 | 241679901 Frigidaire Refrigerator Screw |
| 35 | WCI 5304408585 |
| 36 | COVER-ICE MAKER |
| 39 | HARNESS-WIRING, ICE MAKER |
| 41 | 5308000039 Frigidaire Refrigerator Screw |
| 42 | 5303001193 Frigidaire Refrigerator Clamp |
| 43 | 5303001199 Frigidaire Refrigerator Wiring Harness Clamp |
| 44 | 5308000133 Frigidaire Refrigerator Clamp |
| 45 | 5304455651 Frigidaire Refrigerator Screw |
| 48 | NUT, 7/16 X 20, NYLON |
| 49 | 5303001147 Frigidaire Refrigerator Plug-Harness Hole |
| 52 | 215456100 Frigidaire Refrigerator Water Inlet Tube |
| 55 | WCI 218907301 |
| 59 | WCI 5303001191 |
| 60 | 218362501 Frigidaire Refrigerator Screw |
| 61 | 218721500 Frigidaire Refrigerator Bracket-Leveling |
| 62 | 240555002 Frigidaire Refrigerator Screw #8-32 X 3/8 |
| 64 | 5304455846 Frigidaire Refrigerator Clamp |