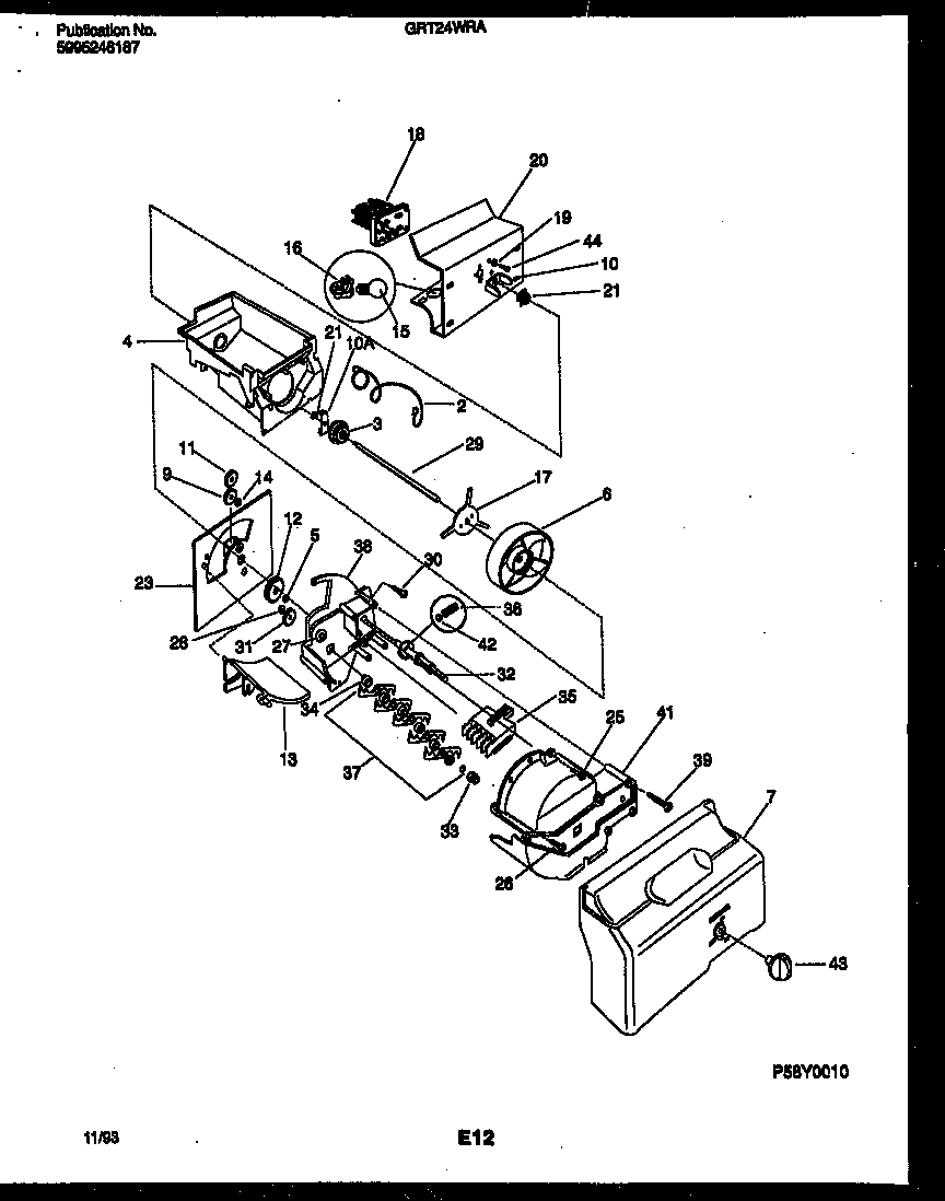
GRT24WRAW0 11 – ICE DISPENSERadmin2025-04-26T12:02:27+00:00GRT24WRAW0 11 – ICE DISPENSER ProductsPositionProduct2WCI 2154191003WCI 2154192004AWCI 2180375004WCI 2154175005WCI 2157481056WCI 2157528007WCI 2154216019WCI 21541970010AWCI 21575720010241726501 Frigidaire Refrigerator Drive Bar11WCI 21575520012WCI 21542040013WCI 21803360014WCI 21541990015316538904 Frigidaire Oven Lamp Light16WCI 21576710017WCI 215754800185304462594 Frigidaire Refrigerator Motor-Auger18AWCI 21528550019WCI 21577100020WCI 21537940123BSTUD (NOT ILLUSTRATED)23WCI 21575530023ARING-RETAINER (NOT ILLUSTRATED)25WCI 21542140026215503203 Frigidaire Refrigerator Door Handle Screw27WCI 21574840028WCI 21575510029WCI 21575750230WCI 21575730031WCI 21575740032WCI 21574750132ARING-SNAP (NOT ILLUSTRATED)33WCI 21574820034WCI 21574830035WCI 21575350036WCI 21575670037FWCI 21590640037JWCI 21590660037WCI 21590670037ISPACER, (2) (NOT ILLUSTRATED)37HRING-SNAP (NOT ILLUSTRATED)37GSHAFT-CRUSHER (NOT ILLUSTRATED)37EBLADE-CRUSHER, NO. 5 (NOT ILLUSTRATED)37DBLADE-CRUSHER, NO. 4 (NOT ILLUSTRATED)37CBLADE-CRUSHER, NO. 3 (NOT ILLUSTRATED)37BBLADE-CRUSHER, NO. 2 (NOT ILLUSTRATED)37ABLADE-CRUSHER, NO. 1 (NOT ILLUSTRATED)38WCI 21803380039WCI 21575700041WCI 21803370042WCI 21575600043ASPRING-KNOB (NOT ILLUSTRATED)43WCI 21575500244WCI 215285200