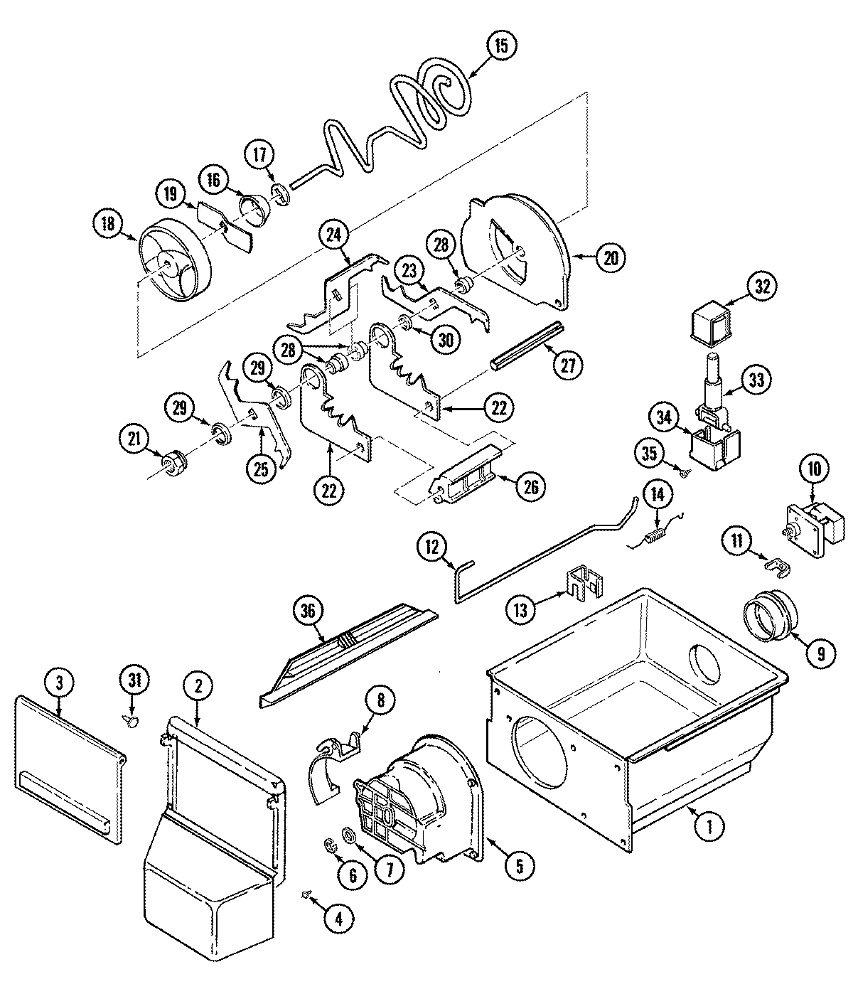
GS20B6C3EV 08 – ICE CRUSHER & BINadmin2025-04-26T09:02:28+00:00GS20B6C3EV 08 – ICE CRUSHER & BIN ProductsPositionProduct1MAY 69719-12MAY 69875-253MAY 69920-164MAY 28272-65MAY 69756-16MAY 69704-17489234 Whirlpool Refrigerator Washer8MAY 69718-19WP61003336 Whirlpool Refrigerator Drive Ring10MAY 70122-110MAY 69733-211WP63052-2 Whirlpool Refrigerator Impeller12MAY 69714-113MAY 69716-114MAY 69717-115MAY 69707-116MAY 69699-117MAY 69698-118MAY 70036-119MAY 69755-120MAY 69701-121MAY 69709-122MAY 69706-123MAY 69702-124MAY 69702-225MAY 69702-326MAY 69708-127MAY 69705-128MAY 69697-129MAY 69696-130MAY 69696-231WP61006081 Whirlpool Refrigerator Top Cover32MAY 69730-232MAY 406026-10333MAY 72353-5034MAY 69715-135MAY 400015-3636MAY 69710-236MAY 400026-36