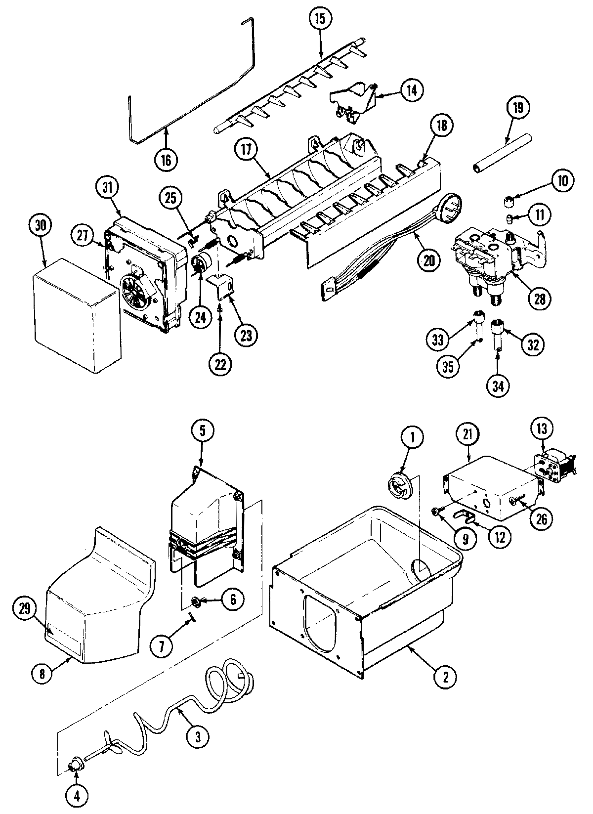
GS20B8D3B 06 – ICE MAKER & BINadmin2025-04-26T09:03:48+00:00GS20B8D3B 06 – ICE MAKER & BIN ProductsPositionProduct1WP61003336 Whirlpool Refrigerator Drive Ring2MAY 67826-13MAY 67833-14MAY 67172-25MAY 67829-16MAY 67834-27MAY 492007-7038415013-35 Whirlpool Refrigerator Screw8MAY 69875-319MAY 406026-10310WP245183 Whirlpool Nut11WP487627 Whirlpool Refrigerator Sleeve12WP63052-2 Whirlpool Refrigerator Impeller1312001773 Whirlpool Refrigerator Primary Auger Motor Y Assembly13MAY 69048-114WP628356 Whirlpool Refrigerator Fill Cup15WP627843 Whirlpool Refrigerator Ejector Arm16W11342242 Whirlpool Refrigerator Ice Level Arm17D7824706Q Whirlpool Refrigerator Ice Maker Assembly18WP2182124 Whirlpool Refrigerator Stripper Arm19MAY 67666-120MAY 70076-121MAY 67288-122MAY 95108-123BRACKET, MODULE & HEATER24WP627985 Whirlpool Icemaker Cycling Thermostat24MAY 95093-125WP2315522 Whirlpool Refrigerator Clip26MAY 400026-3627MAY 400021-127MAY Y0610004828MAY 69825-428MAY 28272-628MAY 401018-129MAY 69874-830MAY 68328-231WP2195914 Whirlpool Refrigerator Ice Maker Housing31SCREW32MAY 69583-233WP627018 Whirlpool Refrigerator Nut34MAY 67187-1335W10833902 Whirlpool Refrigerator Clamp35SCREW35MAY 67579-7