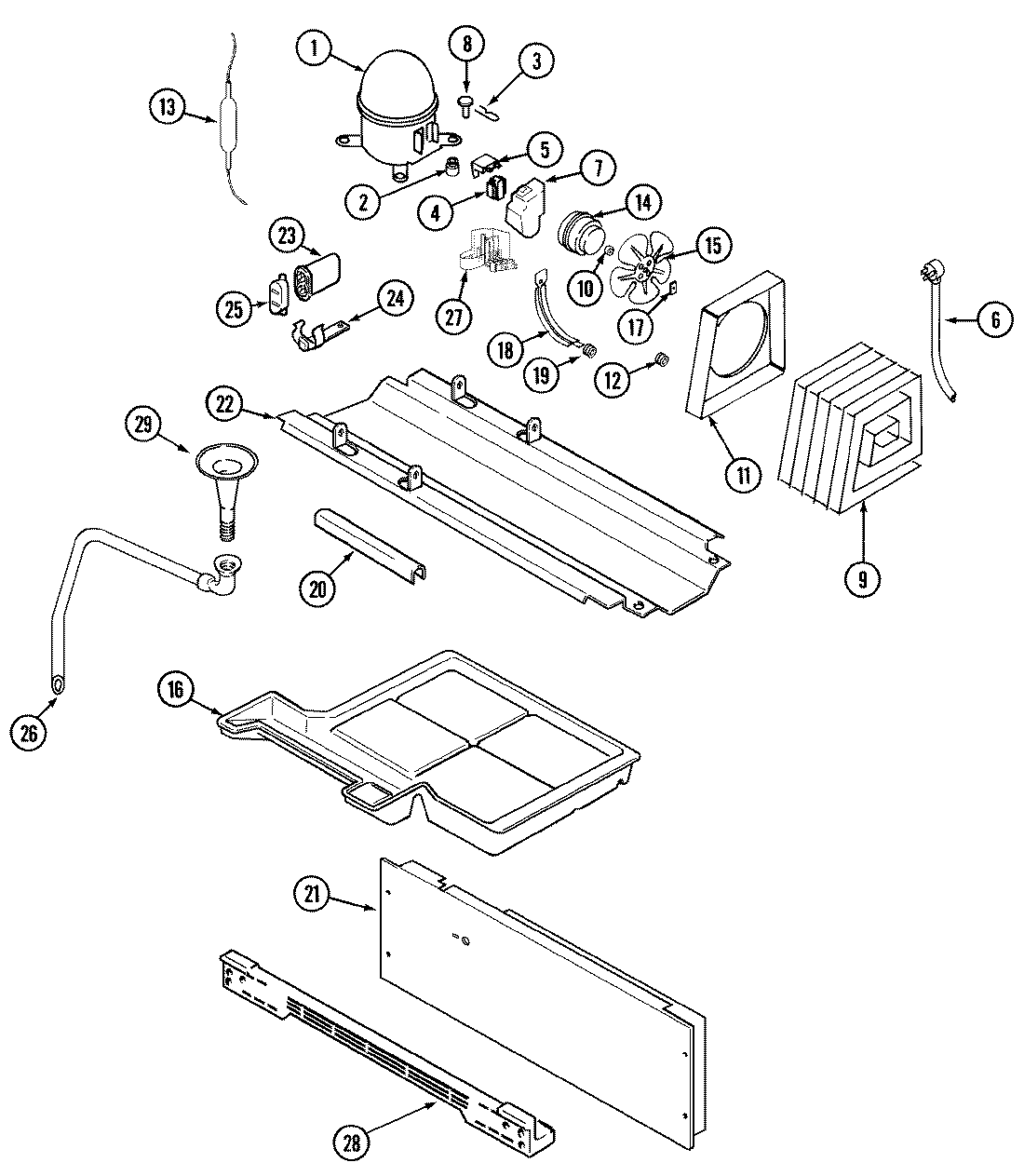
GS2121NEDW 01 – COMPRESSORadmin2025-04-26T09:00:39+00:00GS2121NEDW 01 – COMPRESSOR ProductsPositionProduct1MAY 120014871MAY 610020972MAY 17245-43MAY 610030994MAY 610018325MAY 610031116MAY 610018357MAY 610020838MAY 52656-29WP489399 Whirlpool Refrigerator Screw9MAY 6100313010MAY 6100168611MAY 6100194112MAY 6100203313WPW10143759 Whirlpool Dryer Filter14MAY 6100208414MAY 65275-3315MAY 60683-116MAY 6100264917WP486692 Whirlpool Refrigerator Nut18MAY 6100141419MAY 56933-120MAY 6100197421MAY 6100359621MAY 65275-522MAY 6100313222WP67006715 Whirlpool Refrigerator Screw23MAY 6100182724MAY 6100183024WP489478 Whirlpool Refrigerator Screw25MAY 6100183126MAY 53516-926MAY 6100313327MAY 6100311228WP8281227 Whirlpool Screw28MAY 6100426129MAY 61004281