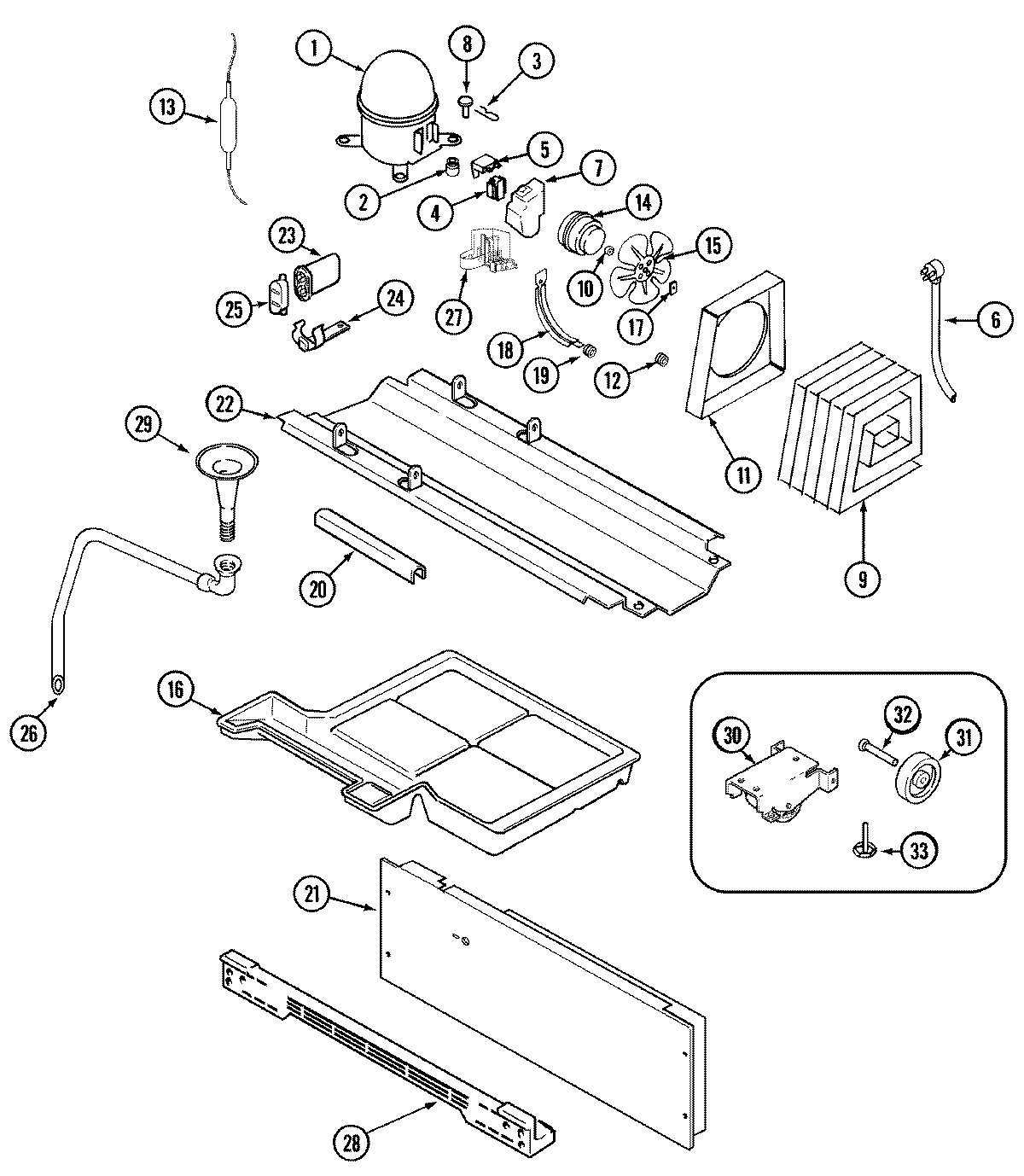
GS2124IDEW 01 – COMPRESSORadmin2025-04-26T09:01:46+00:00GS2124IDEW 01 – COMPRESSOR ProductsPositionProduct1MAY 120015151MAY 610020972MAY 17245-43MAY 610030994MAY 610018325MAY 610031116MAY 610040437MAY 610020838MAY 52656-29MAY 6100313010MAY 6100168611MAY 6100194112MAY 6100203313WPW10143759 Whirlpool Dryer Filter14MAY 65275-3314MAY 6100208415MAY 60683-116MAY 6100264917WP486692 Whirlpool Refrigerator Nut18MAY 6100141419MAY 56933-120MAY 6100415321MAY 65275-5021MAY 6100359622WP67006715 Whirlpool Refrigerator Screw22MAY 6100313223MAY 6100182724MAY 65275-524MAY 6100381725MAY 6100183126MAY 6100313326MAY 53516-927SCREW27MAY 6100426128MAY 6100475129MAY 6100316329WP489478 Whirlpool Refrigerator Screw30MAY 6100210331WP61002104 Whirlpool Refrigerator Pin Wheel32MAY 6100201432MAY 69810-133MAY 6100428134MAY 16009103