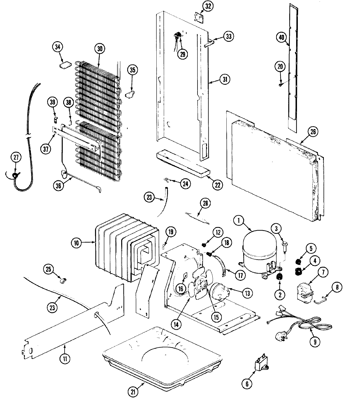
GS22A8D3V 09 – UNIT COMPARTMENT & SYSTEMadmin2025-04-26T09:02:39+00:00GS22A8D3V 09 – UNIT COMPARTMENT & SYSTEM ProductsPositionProduct1MAY RA1029-12MAY 17245-43MAY 68840-23MAY 610015463MAY 65275-94MAY 68857-45MAY 69105-16NOT REQUIRED PART OR SEE NOTE FUSE (NOT REQUIRED)7MAY 69754-18MAY 65886-19MAY 52890-210MAY 400062-110MAY 60408-210MAY 64998-111WP488729 Whirlpool Refrigerator Door Screw11MAY 66494-112MAY 53351-113MAY 67560-1113MAY 6100120813MAY 65275-3314WP12587601 Whirlpool Refrigerator Condenser Blade15MAY 19913-216MAY 55042-117MAY 56936-118MAY 56933-119MAY 57051-120MAY 66128-520MAY 405007-121MAY 45004-2022MAY 53523-123MAY 26911-1824WP596669 Whirlpool Hose Clamp25MAY 53516-526MAY 66339-327MAY 65013-1627MAY 26088-2328MAY 1390029MAY 52085-2930MAY 52551-2131MAY 68834-132MAY 55878-133MAY 66325-1734MAY 65063-135MAY 65064-136MAY 69848-337MAY 29915-1238MAY 52067-139MAY 52561-139MAY 70454-240MAY 66381-141WP489478 Whirlpool Refrigerator Screw42MAY 108429-3