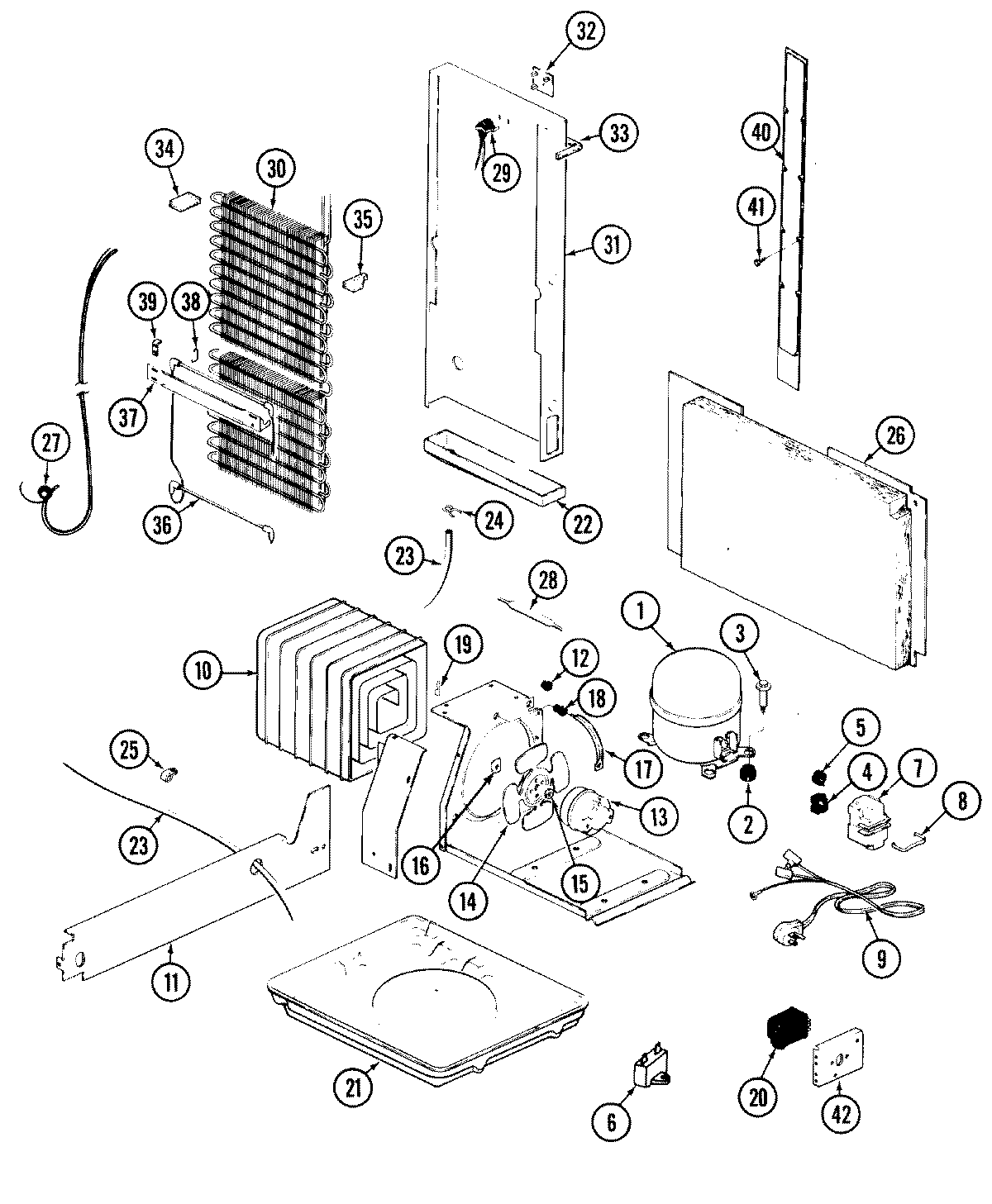
GS22Y8DV 08 – UNIT COMPARTMENT & SYSTEMadmin2025-04-26T09:01:57+00:00GS22Y8DV 08 – UNIT COMPARTMENT & SYSTEM ProductsPositionProduct1W10309995 Whirlpool Refrigerator Compressor1MAY 120000591MAY 120000581MAY RA10182MAY 17245-43MAY 69062-13MAY 65275-93MAY 610010174MAY 66858-14WP10097204 Whirlpool Start Relay4WP10097202 Whirlpool Refrigerator Start Device5MAY 69105-85MAY 69105-35MAY 610017855MAY 63294-195MAY 65887-16WPW10662129 Whirlpool Refrigerator Run Capacitor6WP65889-4 Whirlpool Refrigerator Capacitor7MAY 69754-17MAY 66589-27MAY 610020208MAY 610026208MAY 59596-18MAY 65886-19MAY 52890-210MAY 64998-110MAY 60408-210MAY 400062-111WP488729 Whirlpool Refrigerator Door Screw11MAY 70362-112MAY 53351-113MAY 65275-3313MAY 6100101613833697 Whirlpool Condenser Fan Motor14WP12587601 Whirlpool Refrigerator Condenser Blade15MAY 19913-216MAY 55042-117MAY 69181-118MAY 56933-119MAY 57051-120MAY 405007-120WP68233-3 Whirlpool Refrigerator Defrost Timer22MAY 53523-123MAY 26911-1824WP596669 Whirlpool Hose Clamp25MAY 53516-526MAY 66339-327MAY 65013-1627MAY 26088-2227MAY 65013-2528MAY 1390029MAY 52085-2930MAY 52551-2131MAY 68834-132MAY 55878-133MAY 66325-1734MAY 65063-135MAY 65064-136MAY 69848-137MAY 29915-1238MAY 52067-139MAY 70266-139MAY 52561-140MAY 66381-142MAY 29282-242WP489478 Whirlpool Refrigerator Screw43MAY 108429-3