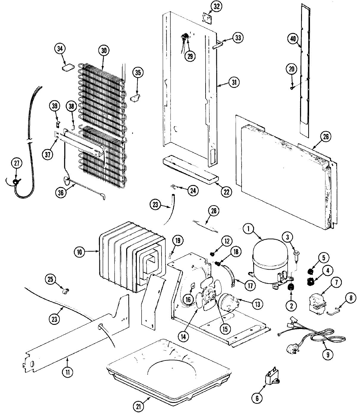
GS24A8D3V 09 – UNIT COMPARTMENT & SYSTEMadmin2025-04-26T09:03:17+00:00GS24A8D3V 09 – UNIT COMPARTMENT & SYSTEM ProductsPositionProduct1MAY RA1029-11MAY 120000602MAY 17245-43MAY 68840-23MAY 65275-93MAY 610015464MAY 68857-44MAY 66858-25MAY 69105-15MAY 63294-176NOT REQUIRED PART OR SEE NOTE FUSE (NOT REQUIRED)7MAY 69754-17MAY 69113-18MAY 59596-19MAY 52890-210MAY 64998-110MAY 60408-210MAY 400062-111WP488729 Whirlpool Refrigerator Door Screw11MAY 70362-112MAY 53351-113MAY 68445-813MAY 6100120813MAY 65275-3314WP12587601 Whirlpool Refrigerator Condenser Blade15MAY 69063-116WP486692 Whirlpool Refrigerator Nut17MAY 69181-118MAY 56933-119MAY 57051-120MAY 66128-520MAY 405007-122MAY 53523-223MAY 26911-1824WP596669 Whirlpool Hose Clamp25MAY 53516-526MAY 70460-327MAY 26088-2327MAY 6100103927MAY 65013-2428MAY 1390029MAY 52085-2930MAY 52551-2231MAY 68834-232MAY 55878-133MAY 66325-1734MAY 65063-135MAY 65064-136MAY 69848-437MAY 29915-1338MAY 52067-139MAY 52561-140MAY 70454-240MAY 66381-141WP489478 Whirlpool Refrigerator Screw42MAY 108429-3