GS26HSZBC3 19 – ICE MAKERadmin2025-04-26T10:22:37+00:00GS26HSZBC3 19 – ICE MAKER
Products
| Position | Product |
|---|
| NI | 218976901 Frigidaire Refrigerator P1-Water Inlet Tube |
| NI | 240561701 Frigidaire Refrigerator Seal |
| NI | 5304458371 Frigidaire Refrigerator Ice Maker |
| NI | WCI 218515402 |
| NI | Adapter-water supply,nut & sleeve , |
| NI | 5304455651 Frigidaire Refrigerator Screw |
| NI | 240542901 Frigidaire Water Valve Cap |
| NI | 240363602 Frigidaire Refrigerator Shoulder Screw |
| NI | WCI 218976907 |
| NI | 218976903 Frigidaire Refrigerator Water Inlet Tube P-1 |
| NI | 5308000133 Frigidaire Refrigerator Clamp |
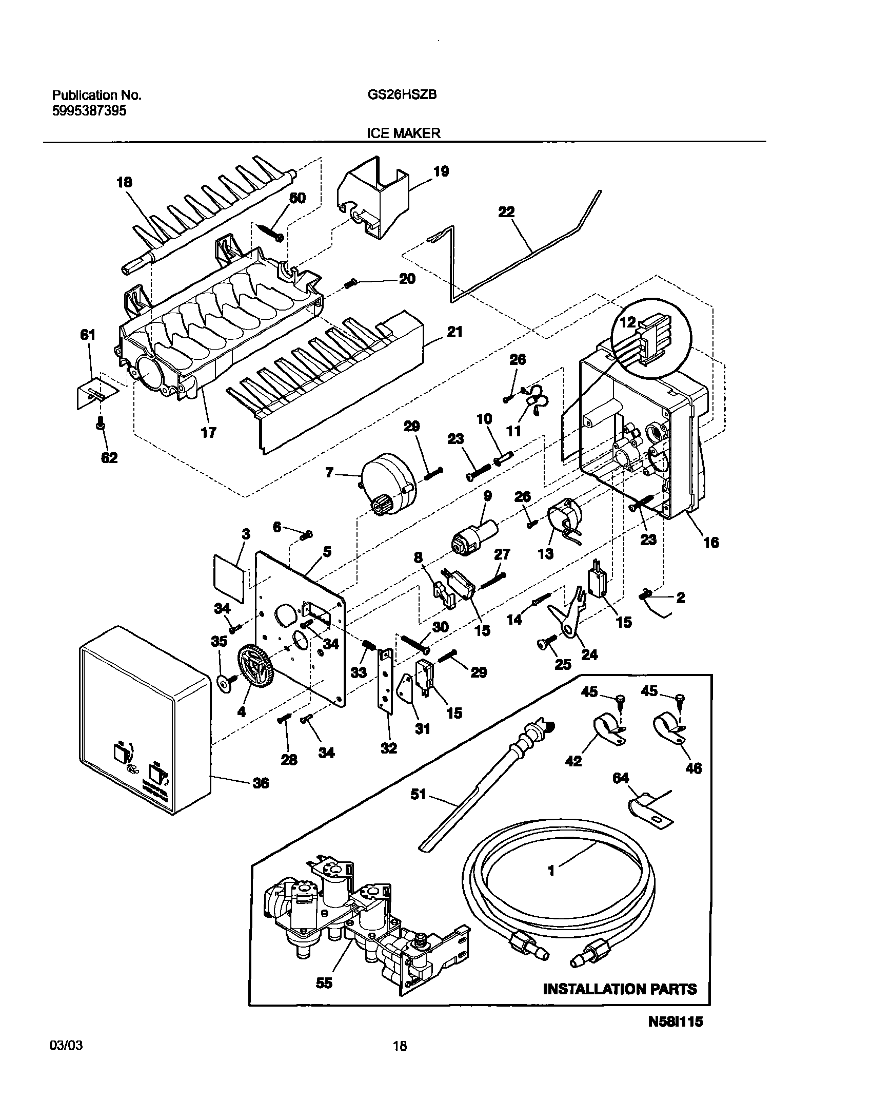
| 1 | 218976409 Frigidaire Refrigerator Water Tube |
| 2 | WCI 5304420650 |
| 3 | Label,ID plate |
| 4 | 5304469403 Frigidaire Gear |
| 5 | WCI 3206303 |
| 6 | 218359202 Frigidaire Refrigerator Screw |
| 7 | 5303918277 Frigidaire Refrigerator Ice Maker Assembly |
| 8 | SPACER-HOLD SWITCH |
| 9 | WCI 3206313 |
| 10 | WCI 3206315 |
| 11 | 3206319 Frigidaire Refrigerator Thermal Cut-Off Assembly P1 |
| 12 | Wiring Harness,ice maker ,internal , |
| 13 | Thermostat Assy,ice maker |
| 14 | WCI 5304420652 |
| 15 | 5304456667 Frigidaire Refrigerator Micro Switch |
| 16 | WCI 5304420653 |
| 17 | 241798231 Frigidaire Refrigerator Ice Maker Assembly |
| 18 | EJECTOR-ICE |
| 19 | WCI 3206330 |
| 20 | WCI 5304408581 |
| 21 | ICE STRIPPER |
| 22 | SHUT-OFF ARM |
| 23 | SCREW,8-32 X 0.875 ,MOLD-TO-SUPPORT , |
| 24 | 5304456675 Frigidaire Refrigerator Lever Arm |
| 25 | SCREW,8-18 X 0.562 ,LEVER ARM/SPRT |
| 26 | WCI 5304420654 |
| 27 | SCREW,4-40 X 1.000 ,HOLD SWITCH MTG , |
| 28 | Screw-timing stop`4-40 x 0.375 |
| 29 | SCREW,4-24 X 0.750 ,(6) |
| 30 | SCREW-TIMING ADJ,8-32 X 1.000 |
| 31 | WCI 3206342 |
| 32 | WCI 3206343 |
| 33 | WCI 5304408583 |
| 34 | WCI 5304420655 |
| 35 | WCI 5304408585 |
| 36 | COVER-ICE MAKER |
| 42 | 5303001199 Frigidaire Refrigerator Wiring Harness Clamp |
| 45 | 5304455650 Frigidaire Refrigerator Screw |
| 46 | 5303001193 Frigidaire Refrigerator Clamp |
| 51 | 241796405 Frigidaire Refrigerator Fill Water Tube |
| 55 | 242252702 Frigidaire Refrigerator Water Inlet Valve Triple Solenoid |
| 60 | 5304455852 Frigidaire Refrigerator Screw |
| 61 | 218721500 Frigidaire Refrigerator Bracket-Leveling |
| 62 | 240555002 Frigidaire Refrigerator Screw #8-32 X 3/8 |
| 64 | 5304455846 Frigidaire Refrigerator Clamp |