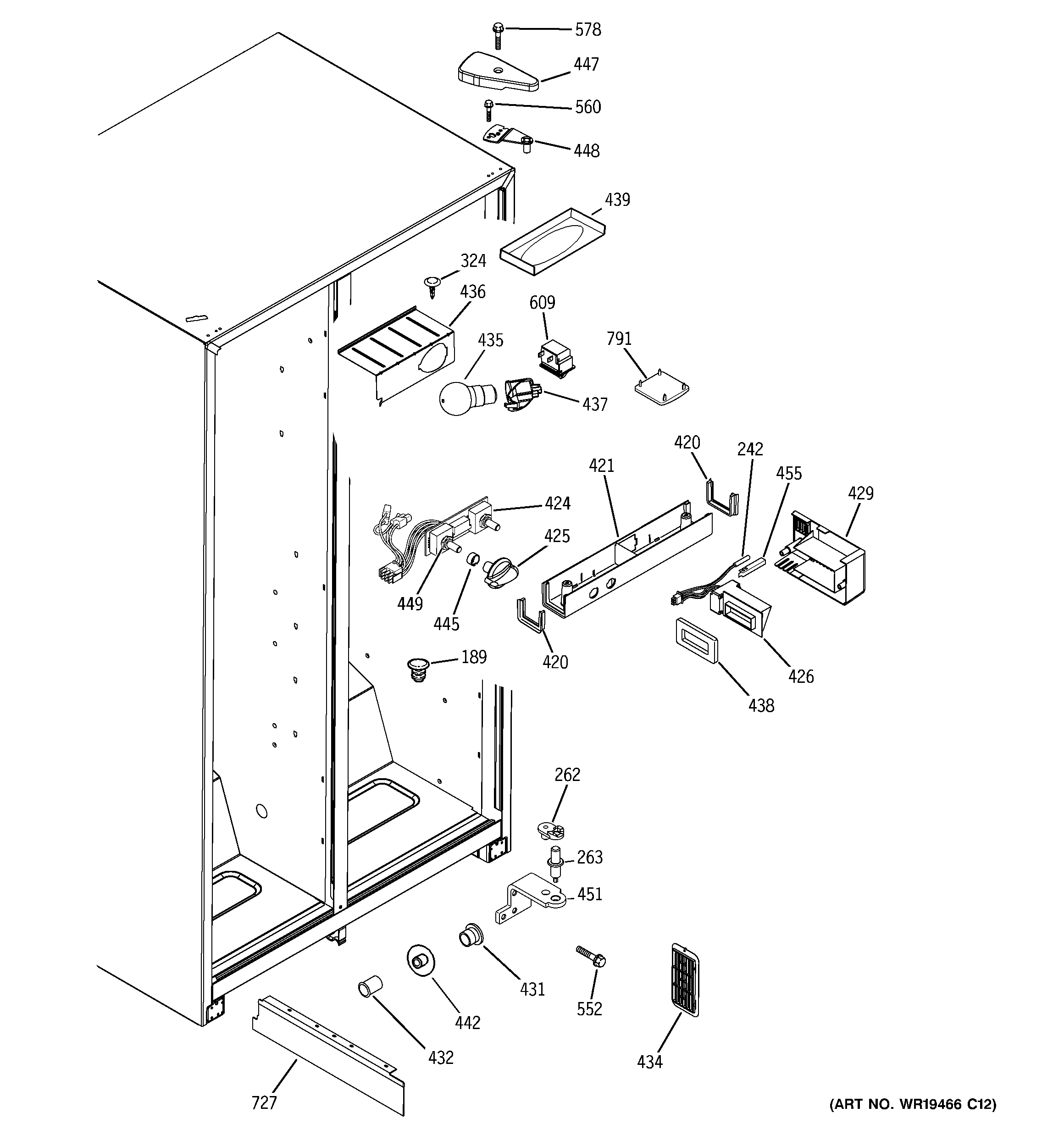
GSA22KBPHFBB FRESH FOOD SECTION