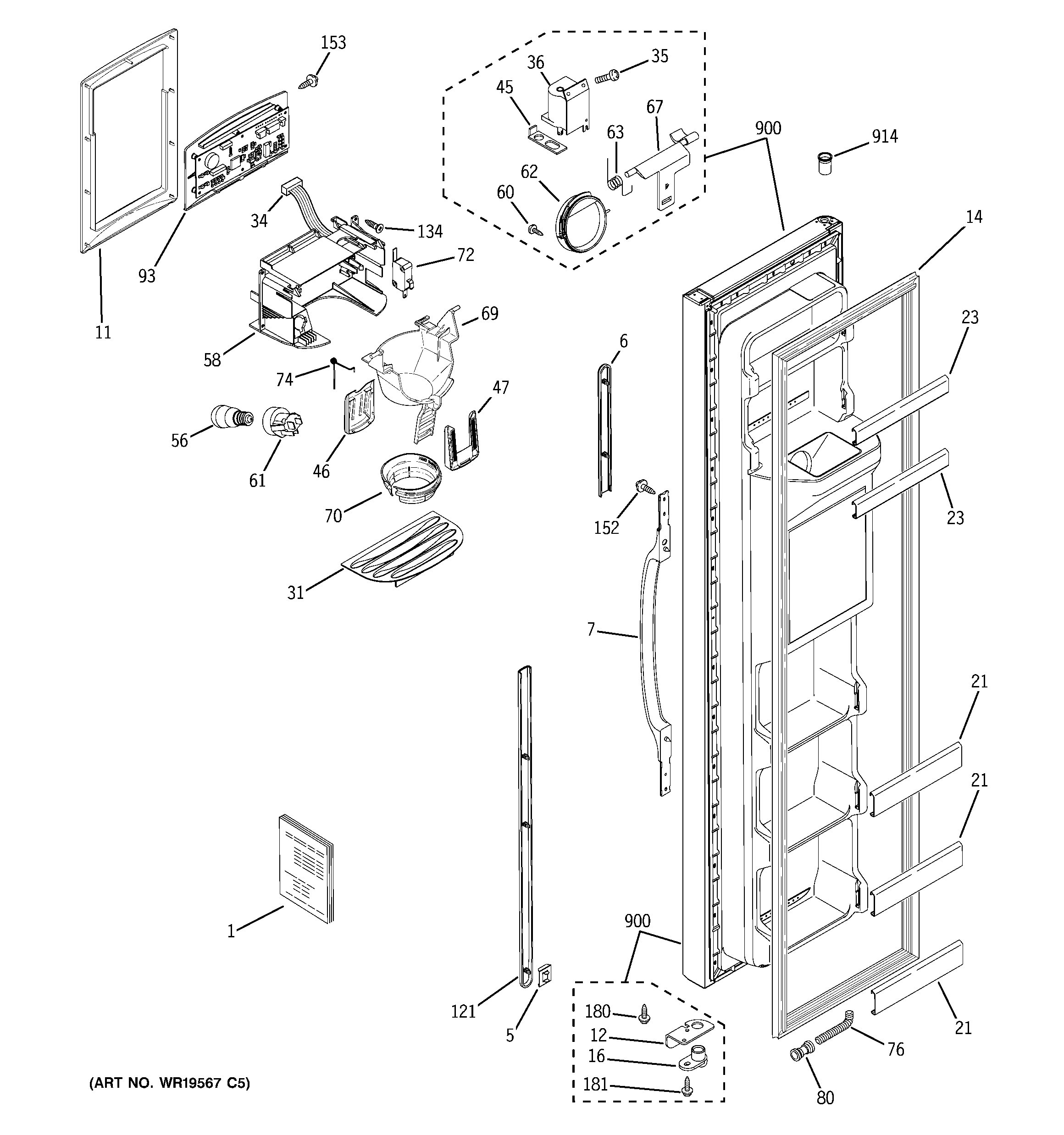
GSA22KEPHFWW FREEZER DOORadmin2025-04-26T10:17:20+00:00GSA22KEPHFWW FREEZER DOOR ProductsPositionProduct1GEN 49-602221GEN 31-462135GEN WR02X104316GEN WR12X103887WR12X10332 GE Refrigerator SXS Handle11RECESS TRIM12GEN WR02X1057614WR24X10302 GE Refrigerator Door Gasket16GEN WR02X1147821GEN WR17X1099623GEN WR17X1104331GEN WR17X1071234GEN WR23X1016635WR01X10649 GE Refrigerator Screw 8-10 PL PNP 1/2 S36WR62X10055 GE Refrigerator Dispenser Door Solenoid Assembly45WR2X8818 GE Refrigerator Retainer46GEN WR02X1117747GEN WR02X1117856WR01X37886 GE Refrigerator Dispenser Light58WR17X11170 GE Refrigerator Housing Shield Dispenser60WR01X10656 GE Refrigerator Screw 4-10 PL PNP 5/16 S5H61WR2X9561 GE Refrigerator Lamp Socket62WR17X11653 GE Refrigerator Ice Door Flap Assembly63WR02X10585 SPRING RECES67WR17X10706 GE Refrigerator Door Crank Recess69GEN WR17X1152370GEN WR17X1126572WR23X10783 GE Refrigerator Dispenser Micro Switch74GEN WR02X1058476GEN WR02X893380WR02X11330 GE Refrigerator 5/16 Union Water Line Connector93GEN WR55X10451121GEN WR12X10106134WR01X10019 GE Refrigerator Screw 6-10 PL FLP 1/2 S152GEN WR01X10038153WR1X1505D GE Refrigerator Screw Package of 12180WE02X10011 GE Screw181GEN WR01X10215900GEN WR78X11007914GEN WR01X10200