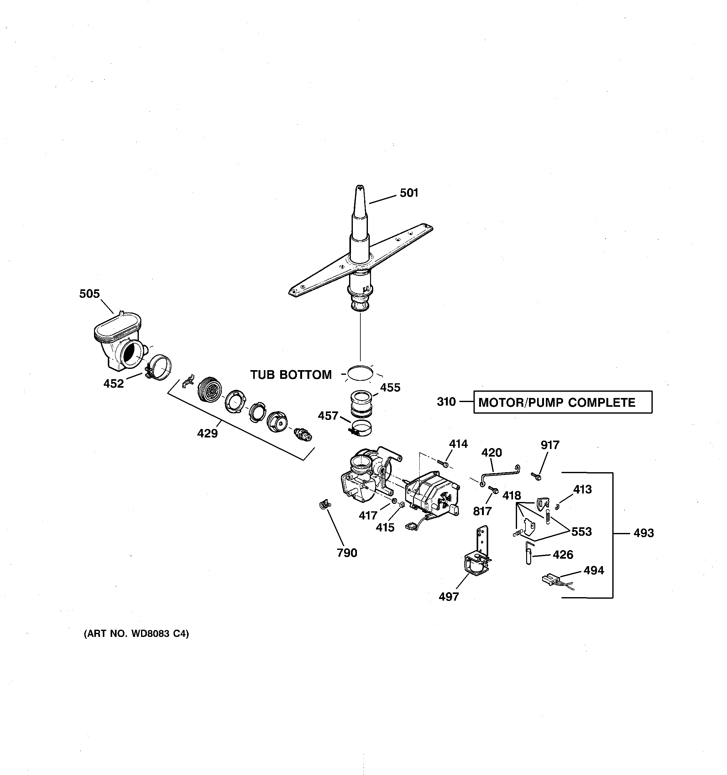
GSC3400G00BB MOTOR-PUMP MECHANISM