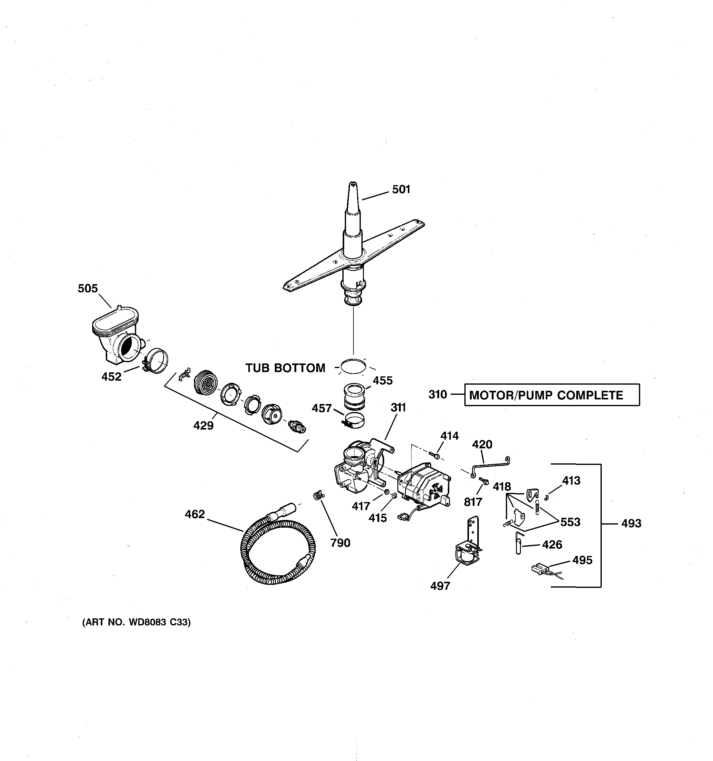
GSD1900J04WH MOTOR-PUMP MECHANISM